1. Portal
  2. Forum
    1. Forenübersicht
    2. FAQ - Fragen rund ums Forum
  3. Camper
    1. Bautagebücher
    2. Camper Galerie
    3. Wissensbasis
  4. Treffen
    1. Anstehende Treffen
    2. Impressionen vergangener Treffen
  5. Reisen
    1. Reiseziele
    2. Reiseberichte
    3. Urlaubsfotos
  • Anmelden
  • Registrieren
  • Suche
Dieses Thema
  • Alles
  • Dieses Thema
  • Dieses Forum
  • Artikel
  • Seiten
  • Forum
  • Termine
  • Galerie
  • POIs
  • Blog-Artikel
  • Erweiterte Suche
  1. womobox & Leerkabinen-Forum
  2. Forum
  3. Ausbau: Installation und Technik
  4. Strom: Batterie, Laden, Solar und Elektrik

Landstrom Isowächter und Phasentauscher

  • Sebastian
  • 27. Juli 2023 um 09:40
  • Sebastian
    womobox-Halbgott
    Beiträge
    286
    Karteneintrag
    ja
    Wohnort
    Itzehoe
    Wohnkabine
    selbst gebaut
    • 27. Juli 2023 um 09:40
    • #1

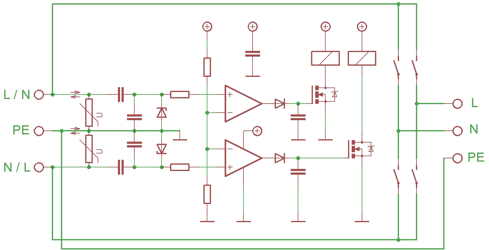
    Moin,

    das Internet ist ja voll von wilden Diskussionen, was passiert, wenn L und N beim Landstromanschluss vertauscht werden, weil zum Beispiel Schukosteckeradapter verwendet werden.

    Damit das sauber in den Mastervolt Combimaster reingeht, habe ich mir eine Schaltung ausgedacht.

    Kapazitive Spannungsteiler messen hochohmig die Netzspannung zwischen L/N und PE. Je nach dem, wo L liegt, wird das richtige Relais geschaltet. Wenn PE fehlt, geht gar nichts.

    Wenn eine Überspannung kommt, fliesst Strom durch die Varistoren und haut den FI vom Campingplatz raus - wenn vorhanden.

    Wenn die Spannung zu klein wird, schalten die Komparatoren die Relais nicht ein.

    Ich finde das schöner als einen SPE-PRCD, das ist so ein intelligenter Gnubbel in dem Zuleitungskabel, der aber vertauschte Anschlüsse nicht erkennen kann und wohl auch mal geklaut wird.

    Wenn da ein CE-Aufkleber raufkommt, heisst das in meinem Fall: Composed by Elektroingenieur. Ein paar Feinsicherungen für 12V und die 230 V Richtung Komparator könnten da noch eingebaut werden.

    Gibt es hier Experten, die mir da einen Irrweg bescheinigen oder ist das eine Marktlücke?

    Beste Grüsse

    Sebastian

  • mrmomba
    womobox-Guru
    Beiträge
    4.404
    Karteneintrag
    nein
    • 27. Juli 2023 um 10:31
    • #2

    Problem ist bei Marktlücken, die Breite Masse kennt diese nicht, weil die das Problem nicht kennen oder verstehen. ( Und dann wollen die Hersteller für wenig Materialeinsatz richtig viel Kohle)

    Siehe mein Beitrag mit dem Ecoflow Wechselrichter - bei denen es zumindest die theoretische Chance eines Personenschaden geben kann.

    Gibt es denn praktisch ein Problem, was damit effektiv dieses Problem lösen könnte?

    Anderseits gegen mehr Sicherheit im Fahrzeug sollte es kein Argument geben.

    5596-9c1f21f7b8c7fa5e47e4297fb7f4dc44cd25032b.webp

    Es Grüßt: MrMombatou
    ----

    Mrmombas + seine Frau und ihr neuer, erster Camper VW T3
    Mrmombas + Seine Frau und ihre erste Quasileerkabine!
    Mrmombas + Seine Frau und ihre neues Übergangswohnzeug

  • Abweg
    womobox-Halbgott
    Beiträge
    562
    Karteneintrag
    ja
    Wohnort
    Wegberg
    Wohnkabine
    Sonstiges
    • 27. Juli 2023 um 21:06
    • #3

    Interessante Schaltung (bist wohl mit den Kohlefaserarbeiten durch und hast ein paar Synapsen wieder frei), find ich gut, aber bestimmt kommen Die mit dem Phasenprüfer um die Ecke und drehen den Stecker.

    beste Grüße, Andre

    Ich weiß nicht ob das richtig ist was ich mache, aber wenn ich´s lasse, werde ich es nie erfahren.

  • nunmachmal
    womobox-Guru
    Beiträge
    4.691
    Karteneintrag
    ja
    Wohnort
    71634 Ludwigsburg
    Wohnkabine
    selbst gebaut
    • 28. Juli 2023 um 08:59
    • #4

    In Sache Marktlücke. Sicher nicht.

    Begründung, es kümmert sich keiner um die Sache.

    Meines Wissens ist es verboten zwischen der Stromsäule und dem Fahrzeug weitere Steckverbindungen zu haben. Das Kabel darf nicht mehr wie 25m lang sein und muss einen Querschnitt von mindestens 2,5mm² haben.

    In der Realität sieht das ganz anders aus.

    Will sagen, ich habe noch keinen vorschriftsmäßig angeschlossenes Wohnmobil gesehen. Überall zuerst das Adapterkabel, dann die Baumarktkabeltrommel und wieder ein Adapter zum Fahrzeug.

    Bevor der Aufschrei los geht, doch es gibt einige die sich an die Vorschriften halten.

    Gruß Nunmachmal

    Ich habe viel aus meinen Fehlern gelernt, ich glaube ich mache noch einen.

  • Tobi
    womobox-Halbgott
    Beiträge
    620
    Karteneintrag
    ja
    Wohnort
    Eschborn
    Wohnkabine
    Ormocar
    • 28. Juli 2023 um 10:02
    • #5
    Zitat von nunmachmal

    Will sagen, ich habe noch keinen vorschriftsmäßig angeschlossenes Wohnmobil gesehen. Überall zuerst das Adapterkabel, dann die Baumarktkabeltrommel und wieder ein Adapter zum Fahrzeug.

    Bevor der Aufschrei los geht, doch es gibt einige die sich an die Vorschriften halten.

    Gruß Nunmachmal

    Da hast Du recht und mich graust es jedesmal wenn ich die dünnen, verknäulten und oft altersschwachen Verlängerungskäbelchen sehe (bröckelnde PVC-Isolierung auf feuchtem Gras - lecker).

    Aus Sicht der Fertigmobilkäufer ist es allerdings auch bezeichnend, dass beim Neufahrzeugkauf offenbar keine ordentliche Kabeltrommel beim Fahrzeug ist.

    Die Leute würden diese ja verwenden - passt im Haushalt ja (fast) nirgends in die Steckdosen.

    Das praktische Problem ist m.e. u.a., dass der/die Leitungsschutzschalter im Womo meist einpolig schalten und damit beim Auslösen im Zweifel den Nulleiter trennen. Wenn ein (allpolig schaltender) RCD verbaut ist mag das passen, sonst ....

    2016er Sprinter 319CDI mit Ormocar-Koffer, gasfreier Ausbau.
    Mehr zu unserem Fahrzeug gibt es in der Campergalerie - unsere Reisen nach Mittel- und Nordeuropa findet ihr hier.

    2 Mal editiert, zuletzt von Tobi (28. Juli 2023 um 11:10)

  • Anton
    womobox-Guru
    Beiträge
    2.788
    Karteneintrag
    nein
    Wohnort
    Am Fuß der Homert
    • 28. Juli 2023 um 14:09
    • #6

    Hallo

    Kabeltrommel ist sowieso immer spannend!

    Ich habe noch nie einen gesehen der die komplett abwickelt wie man es machen sollte.

    Gut, ein Womo zieht nicht die ganz Großen Ströme, aber eine schöne Magnetwicklung ist eine Kabeltrommel trotzdem.

    Wir bevorzugen ein loses, ausreichend dickes Gummikabel in freundlicken rot, damit man es auch sieht, und haben an beiden Leitungseingängen einen FI Schalter.

    Da kannst Du den auch mal die Seiten vertauschen ohne das was passiert.

    Viele Grüße

    Anton

    Wir brauchen dringend ein paar Verrückte - seht euch doch mal um, wo uns die Vernüftigen hingebracht haben!

  • Womo-Halle-Malaga.de
    womobox-Guru
    Beiträge
    1.039
    Karteneintrag
    nein
    • 28. Juli 2023 um 14:28
    • #7

    Tobi

    "Das praktische Problem ist m.e. u.a., dass der/die Leitungsschutzschalter im Womo meist einpolig schalten und damit beim Auslösen im Zweifel den Nulleiter trennen. Wenn ein (allpolig schaltender) RCD verbaut ist mag das passen, sonst ...."

    Ist das wirklich so bei der "Weißware? Dann ist das ja kreuzgefährlich! Hab selbst mal an einem Gehäuse gehangen, das keinen "N" mehr hatte. DDR-Bestandsanlage mit Nullung, Gruselich.

    Prinzipiell ist das Thema des Phasentaushes ein schwer lösbares Problem. Oder ist es überhaupt ein Problem? Nicht verkehrt wäre eine Schutztrennung, dann ist man Potentialfrei gegen Erde. Könnte mir dafür sogar ein entsprechend konstruiertes AC-AC Schaltnetzteil vorstellen, dass aber intern auch tatsächlich galvanisch getrennt ist. Andererseits viel zu viel Elekztronik.

    Die Schaltung ober ist vom Prinzip her nicht verkehrt, aber irgendwie auch fast mit Kanonen auf Spatzen geschossen. Aus meiner Sicht ist das Hauptproblem der Schliefenwiderstand der Zuleitung und vor allem ein ordentlicher Potentialausgleich, also rdung des Fahrzeuges. Oft zweifle ich daran, dass der PE der Landstromversorgung in akzeptablem Abstand an einen Erder angeschlossen ist. Dazu noch die wie schon erwähnt super Verlängerungsleitungen.

    Statt auf richtige Phasenlage zu achten empfinde ich es als wichtiger, die Erdung des Fahrzeuges zu prüfen. Nun, hab ich selbst noch nie gemacht - Landstrom hab ich nur auf der homebase.

    Noch was zur Schaltung oben. Wenn der PE komplett fehlt, hat man Potential auf dem "Gehäuse" über die C´s. Nicht viel, aber vorhanden und ggf. spürbar. Kenne ich vom BEV, das Ypsilon-C-Problem. Aber das schaffen die C´s von den anderen AC-Geräten ggf auch selbst schon.

  • Tobi
    womobox-Halbgott
    Beiträge
    620
    Karteneintrag
    ja
    Wohnort
    Eschborn
    Wohnkabine
    Ormocar
    • 28. Juli 2023 um 15:49
    • #8
    Zitat von Anton

    Wir bevorzugen ein loses, ausreichend dickes Gummikabel in freundlichen rot, damit man es auch sieht, und haben an beiden Leitungseingängen einen FI Schalter.

    Ja, genau so. RCD schaltet allpolig, Leitungsschutzschalter gibt es bei uns nur zweipolig abschaltend, dann ist "aus" auch wirklich aus. Insofern sehe ich den möglichen Phasentausch bei falsch verkabelter CEE-Steckdose oder bei Anschluss an eine Schukosteckdose dann recht gelassen. Ich benutze draußen auch meist ein 15m-Kabel (3x 2.5, lose aufgenommen). Zwar in schwarz, aber alle Meter mit einem Stück aus dem phosphoreszierenden Schrumpfschlauch drauf :-). Damit ist man natürlich auch sofort als Nerd geoutet.

    2016er Sprinter 319CDI mit Ormocar-Koffer, gasfreier Ausbau.
    Mehr zu unserem Fahrzeug gibt es in der Campergalerie - unsere Reisen nach Mittel- und Nordeuropa findet ihr hier.

  • Womo-Halle-Malaga.de
    womobox-Guru
    Beiträge
    1.039
    Karteneintrag
    nein
    • 28. Juli 2023 um 22:28
    • #9

    "aber eine schöne Magnetwicklung ist eine Kabeltrommel trotzdem."

    Muss mal klugscheissen. Ist ne bifilare Wicklung, Magnetfelder der Wicklungen hebt sich auf.

Jetzt mitmachen!

Mit einem Benutzerkonto kannst du das womobox Forum noch besser nutzen.
Als registriertes Mitglied kannst du:
- Themen abonnieren und auf dem Laufenden bleiben
- Dich mit anderen Mitgliedern direkt austauschen
- Eigene Beiträge und Themen erstellen

Benutzerkonto erstellen Anmelden

Spenden-Ziel

Jährlich (2026)

63,5 %

63,5% (317,50 von 500 EUR)

Jetzt spenden

Tags

  • Landstrom
  • L und N vertauscht

Benutzer online in diesem Thema

  • 8 Besucher
  1. Nutzungsbedingungen
  2. Datenschutzerklärung
  3. Impressum
Gefällt es dir hier? Dann bitte jetzt :)
Community-Software: WoltLab Suite™