1. Portal
  2. Forum
    1. Forenübersicht
    2. FAQ - Fragen rund ums Forum
  3. Camper
    1. Bautagebücher
    2. Camper Galerie
    3. Wissensbasis
  4. Treffen
    1. Anstehende Treffen
    2. Impressionen vergangener Treffen
  5. Reisen
    1. Reiseziele
    2. Reiseberichte
    3. Urlaubsfotos
  • Anmelden
  • Registrieren
  • Suche
Dieses Thema
  • Alles
  • Dieses Thema
  • Dieses Forum
  • Artikel
  • Seiten
  • Forum
  • Termine
  • Galerie
  • POIs
  • Blog-Artikel
  • Erweiterte Suche
  1. womobox & Leerkabinen-Forum
  2. Forum
  3. Ausbau: Installation und Technik
  4. Heizen und Kühlen

China Airtronik aus ebay

  • sieschonwieder
  • 17. September 2018 um 20:48
  • mrmomba
    womobox-Guru
    Beiträge
    4.372
    • 23. November 2018 um 07:10
    • #81

    Nun, ich wollte erstmal ungern mein Bedienteil opfern, es funktioniert ja eigentlich sehr gut :D
    Wen der Toby sich aber eben schon bereit erklärt hat, dann ist das natürlich überaus interessant sich die Leiterplatine anschauen zu können.
    Wäre vermutlich wirklich die beste Möglichkeit....
    Toby, kannst du sonst die Platine sogar auf ein Scanner legen?

    Für das BUS-Sniffen kenne ich leider auch keinen, der einen kennt, der einen kennen könnte :(

    5596-9c1f21f7b8c7fa5e47e4297fb7f4dc44cd25032b.webp

    Es Grüßt: MrMombatou
    ----

    Mrmombas + seine Frau und ihr neuer, erster Camper VW T3
    Mrmombas + Seine Frau und ihre erste Quasileerkabine!
    Mrmombas + Seine Frau und ihre neues Übergangswohnzeug

  • Online
    holger4x4
    womobox-Guru
    Beiträge
    7.325
    Wohnort
    Bergisches Land
    • 23. November 2018 um 17:00
    • #82

    Die Versorgung der Beleuchtung wird man doch wohl finden, vermutlich LED's die von der Seite ins Display strahlen. Dann die Leitung kappen und einen Schalter dazwischen machen. Bei meinem Balancer hab ich das auch so gemacht, nachts wird dann einfach das Licht ausgeschaltet, ebenso in der Winterpause.

    Gruß, Holger

  • Toby
    Junior
    Beiträge
    61
    • 24. November 2018 um 21:50
    • #83

    Mit einem Scanner kann ich nicht dienen,
    aber zwei Fotos kann ich anbieten, so gut es denn freihand ging.


  • Urs
    womobox-Guru
    Beiträge
    1.787
    Wohnort
    Egliswil (AG)
    • 25. November 2018 um 02:51
    • #84

    Mein erster Gedanke war dass man da ja easy an jedem Pin vom Display ran kommt, somit wohl auch an die Hintergrundbeleuchtung.
    Aber inzwischen bin ich mir nicht so sicher ab das was bnmgt. Links, unter dem oberen Taster scheint eine Led verbaut zu sein, weiter unten, über den unteren Taster könnte eine weitere Led sein, ist etwas schwer zu erkennen. Ist das die Hintergrundbeleuchtung? Oder hat das Display selber noch Led drauf?
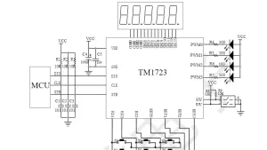
    Hab mir das weiter oben eingestellte Video nochmal angeschaut... Hm, Was ist das überhaupt für ein Display-Typ? LCD, von hinten beleuchtet? Wie wird denn daraus die 4 verschidenen Farben? Oder sind es doch für jedes Segment eine Led welche direkt vom LM1723 Treiberchip angesteuert werden? Ich vermute letzteres, was es nicht erleichtert da was zu machen. Scheint dann irgend eine Multiplex-Geschichte zu sein, verstehen aber leider das Datenblatt nicht so ganz... mein Chinesisch ist etwas eingerostet ;)
    Gibt es auch Fotos vom ausgelötenem Display?

    Gruss Urs

    In der Theorie entspricht die Praxis der Theorie...

  • pseudopolis
    womobox-Halbgott
    Beiträge
    912
    Wohnort
    Dort, wo die Kutsche gerade steht
    Wohnkabine
    selbst gebaut
    • 25. November 2018 um 07:22
    • #85

    Ich schätze, die vielen lötstellen oben und unten an der platine sind das display. Man kann schön sehen, dass alle pins mit dem grossen IC in der mitte verbunden sind. Wahrscheinlich wird jedes segment einzeln angesteuert. Also nix mit display ausschalten.
    Um die leuchtkraft etwas zu entschärfen wäre auch eine getönte folie eine option. Oder man besorgt sich eine kleine box mit türe wo man es einbaut. Zb den adventskalender zweckentfremden.

  • Online
    holger4x4
    womobox-Guru
    Beiträge
    7.325
    Wohnort
    Bergisches Land
    • 25. November 2018 um 09:14
    • #86

    Hi,

    hab mir mal das Datenblatt von dem LCD Treinber angesehen:
    https://lcsc.com/product-detail…607_C89186.html

    Es sieht so aus dass mit PWM 0-3 LED's angesteuert werden. Man könnte mal versuchen da zusätzliche Vorwiderstände einzubauen.

    Bilder

    • Bild2.jpg
      • 50,23 kB
      • 633 × 337
    • bild1.jpg
      • 74,31 kB
      • 840 × 666

    Gruß, Holger

  • nunmachmal
    womobox-Guru
    Beiträge
    4.611
    Wohnort
    71634 Ludwigsburg
    • 25. November 2018 um 09:19
    • #87

    Mit kleiner Box wird wohl nicht gehen, da der Themperatursensor auf der Platine irgendwo verbaut ist. Oder hat die Heizung externen Fühler?

    Gruß Nunmachmal

    Ich habe viel aus meinen Fehlern gelernt, ich glaube ich mache noch einen.

  • clubby
    womobox-Spezialist
    Beiträge
    236
    • 25. November 2018 um 10:27
    • #88

    Hallo Zusammen, in meiner Bedienungsanleitung habe ich einen Übersichtsplan gefunden.
    Konnte leider das Foto davon nicht anhängen. Am „socket wire Connection“ , Pin 5 auf der Platine die auf dem Heizkörper sitzt ist als “Night light Switch“ bezeichnet.
    Vielleicht kommt man damit weiter.
    Andererseits wäre ein Hauptschalter in der Leitung zur Batterie eine Lösung. Die Leitung zur Batterie ist mir sowieso zu dünn ausgelegt. Hat jemand das Wissen wie ich diese Leitungen ausspinnen kann?
    VG, clubby

  • Toby
    Junior
    Beiträge
    61
    • 25. November 2018 um 13:32
    • #89

    Das Display ist ein LCD, beleuchtet von den zwei LEDs seitlich (wie Urs bereits bemerkt hat, die untere ist hinüber, die waren mit dem Lichtleiter verklebt).
    Um die Hintergrundbeleuchtung auszuknipsen muss entweder an den rot oder rosa markierten Stellen die Leiterbahn(en) gekappt werden,
    um das Display inkl. Beleuchtung komplett auszuschalten könnte man doch einfach dem Controller die Spannungsversorgung nehmen, da ist zwar nicht viel Platz,
    aber wenn man an der gelb markierten Stelle kappt ist der aus, ohne, dass Bauteile außer Display und Beleuchtung von der Stromversorgung abgeschlossen würden?


    Das Display habe ich nur abgeknippst, war ja ohnehin gebrochen und meine Heißluftstation habe ich gerade nicht zur Hand.
    Sieht aber so aus:

    Ist jedoch leider kein generisches Display,
    sondern wird wohl speziell für die Bedieneinheit gefertigt:


    Der Thermistor ist auf der Oberseite der Platine, der schwarze Blob unten links bei dem Ausschnitt neben dem Kabeleingang.
    Kann man natürlich auch extern legen, falls man die Einheit in eine kleine Box bauen möchte.


    Und hier der von clubby erwähnte Übersichtsplan:

    Da ist auf jeden Fall eine andere Bedieneinheit "angeschlossen", es gibt ja 3 (oder gar4?) verschiedene.
    Zum Thema Entpinnen: Deutsch Stecker. Also die verbauten schauen mir nach einer billigen Kopie dergleichen aus.
    Bzw. generelles vorgehen wie bei so vielen abgedichteten Steckern, die Sicherung (i.d.R. ein bunt eingefärbtes Plastikteil auf der "Innenseite" des Steckers) entfernen und dann sollte man bereits Zugriff auf die Lasche haben, die den Pin hält.
    Die mit entsprechendem Werkzeug (bei Nichtvorhandensein tut es eine Nadel, manchmal geht auch ein kleiner Schlitzschraubendreher) zurückdrücken und gleichzeitig den Pin ausdrücken (ziehen geht auch, ist aber nicht die feine englische Art).

  • WoMoG
    womobox-Halbgott
    Beiträge
    689
    • 25. November 2018 um 16:51
    • #90

    Hallo,

    wofür ist denn der "Night light switch" ?

    Gruß Arno

    Einst mit Kleinst-SUV und Dachzelt , nun mit dem ProjeGt unterwegs

  • pseudopolis
    womobox-Halbgott
    Beiträge
    912
    Wohnort
    Dort, wo die Kutsche gerade steht
    Wohnkabine
    selbst gebaut
    • 25. November 2018 um 17:35
    • #91

    Laut übersichtsplan gibt es also einen 12pin stecker an der heizung, bei dem pin5 ein "nightlight switch" ist. Ich würde den pin 5 einfach mal auf masse legen und schauen was passiert. Wahrscheinlich wird das display dunkler. Solche steuereingänge gibts auch an autoradios, um beim einschalten des fahrzeuglichts das display abzudimmen.

    Ciao, Michi

  • Toby
    Junior
    Beiträge
    61
    • 25. November 2018 um 22:40
    • #92

    Das Diagramm passt so nicht.

    Habe mal einen Blick auf die heizungsinterne Platine geworfen,
    ich verwende mal die Designationen aus abfotografierten Anleitung:

    -X1, X3 und X4 gibts als Stecker auf der heizungsinternen Platine
    -X1 hat zwei Pins, wie abgebildet
    -X3 hat drei Pins, der mittlere wird nicht verwendet und ist auch auf der Platine nicht angeschlossen
    -X4 hat 4 Pins, die zwei äußeren sind belegt, auf der Platine sind die zwei mittleren direkt mit dem jeweiligen äußeren verbunden, falls also jmd. noch seinen Motor mit über die Heizung vorglühen möchte... :mrgreen:

    -X2 ist auf der Platine verlötet (direkt neben dem halbkreisförmigen Ausschnitt, 3 Pins)

    -"Socket wire connection" existiert zwar, das ist der Hauptstecker, belegt sind aber nur 7 von 9(!) Pins,
    und zwar Plus/Minus, Spritpumpe (2 Pins, heizungsseitig braun/braun, pumpenseitig gelb/gelb) und die Bedieneinheit (3 Pins, rot/blau/schwarz)

    -"8-core socket" gibts nicht, den "ON" switch ebenfalls nicht.

    -auf der Platine sind zwei unbelegte Anschlüsse, ein dreipoliger mittig am Rand gegenüber des Halbkreises sowie ein vierpoliger (Datenbus) neben dem Microcontroller,
    der dreipolige verhält sich laut der Durchgangsmessung redundant zu X2

    -selbes Spiel wie an der Bedieneinheit, die Teilenummer vom Controller ist abgefräst


    Hier noch etwas verwackelte Bilder von der Hauptplatine (welche mehrlagig zu sein scheint?):


    Also um es kurz zu machen,
    wenn ich nicht etwas gravierendes übersehen habe dürften die chirurgischen Einschnitte an der Bedieneinheit (siehe 3 Beiträge weiter oben) nebst der Variante mit dem "Vorhang"/Türchen/Kasteneinbau die einfachste Variante sein um zu dem gewünschten Ergebnis zu kommen.

  • pseudopolis
    womobox-Halbgott
    Beiträge
    912
    Wohnort
    Dort, wo die Kutsche gerade steht
    Wohnkabine
    selbst gebaut
    • 25. November 2018 um 23:13
    • #93

    Hi

    wenn es keine möglichkeit für eine eventuelle dimmer-steuerung von aussen gibt, würde ich mal den pin 13 und 14 (die mit SW bezeichneten) vom grossen IC in der bedieneinheit auf masse legen bzw 5V von der spannungsversorgung des displays (rotes kabel?) über einen 10k widerstand drauf geben, und schauen was sich tut. Ich schätze der eine pin ist der dimmer, der andere eine art fernsteuerung.

    Noch eine schöne variante zum verdunkeln fällt mir ein: zwischen display und leds eine filterfolie schieben, also hinters display.

  • Urs
    womobox-Guru
    Beiträge
    1.787
    Wohnort
    Egliswil (AG)
    • 26. November 2018 um 00:06
    • #94
    Zitat von Toby


    Ist jedoch leider kein generisches Display,
    sondern wird wohl speziell für die Bedieneinheit gefertigt:


    Danke für die Bilder. Das zeigt sehr schön wie die Farben der einzelnen Segmente mit Filtern generiert werden. Scheint so als ob das Display spezifisch für die Heizung konstruiert wurde...kostet aber wohl auch nicht die Welt. Vor einiger Zeit (auf der Suche nach einem brauchbaren Display für mein Arduino) bin ich über eine Seite gestolpert wo man LCD selber designen und nach eigenen Vorgaben fertigen lassen konnte, auch als Privatperson und in Kleinstmengen kosteten die nicht die Welt, kann die Seite aber nicht mehr finden...aber das nur nebenbei.


    Zitat von Toby



    Schade, Pin 5 wäre sehr interessant gewesen.
    In dem Fall würde ich persönlich die beiden Vorwiderstände der beiden LED entlöten (rechts vom roten Strich), da ein paar Leitungen anlöten und diese über einen Schalter, Arduino oder was auch immer für eine Schaltung ziehen und die entsprechenden Vorwiderstände für die LED dann extern in der Leitung einschlaufen. Vorteil davon: Das ganze wäre relativ einfach zurückzubauen da keine Leiterbahnen getrennt werden müssen. Nachteil: Nur die LED-Beleuchtung wird darüber abgeschalten, der LCD selber läuft weiter und zieht entsprechend Strom, wobei das bei LCD denke ich in dem Fall vernachlässigt werden kann.

    Gruss
    Urs

    In der Theorie entspricht die Praxis der Theorie...

  • Urs
    womobox-Guru
    Beiträge
    1.787
    Wohnort
    Egliswil (AG)
    • 26. November 2018 um 00:44
    • #95
    Zitat von pseudopolis


    wenn es keine möglichkeit für eine eventuelle dimmer-steuerung von aussen gibt, würde ich mal den pin 13 und 14 (die mit SW bezeichneten) vom grossen IC in der bedieneinheit auf masse legen bzw 5V von der spannungsversorgung des displays (rotes kabel?) über einen 10k widerstand drauf geben, und schauen was sich tut. Ich schätze der eine pin ist der dimmer, der andere eine art fernsteuerung.


    Im Datenblatt steht zu den beiden Pins folgendes:
    可分别配置成段输出或通用输入端口,可连接拨轮式电子编码开关 Alles klar ;)
    Ok, hier die Übersetzung: "Kann als Segmentausgang oder Universaleingangsport konfiguriert werden, kann an den elektronischen Wahlschalter angeschlossen werden" (zugegeben, Google hat mir etwas geholfen ;) )
    Wenn ich die Leiterbahnen anschaue sieht es nicht so aus als ob die beiden als Segmentausgänge benutzt werden. Weiss nicht wie empfindlich so ein Chip reagiert, aber ich wäre trotzdem Vorsichtig da eine Spannung oder Gnd anzulegen, bevor ich nicht sicher wüsste dass die auch als SW-Pins konfiguriert sind. Weiter unten im Datenblatt, bei Kapitel 6.1 steht was von Arbeitspunkt einstellen und dann bit0 und 1 setzen um es als SW statt Segment Ausgang Pins zu setzen, aber das geht mir nun definitiv zu tief in die Digitaltechnologie rein...da muss ich passen...

    Gruss
    Urs

    In der Theorie entspricht die Praxis der Theorie...

  • Toby
    Junior
    Beiträge
    61
    • 26. November 2018 um 01:01
    • #96
    Zitat von Urs

    Danke für die Bilder. Das zeigt sehr schön wie die Farben der einzelnen Segmente mit Filtern generiert werden. Scheint so als ob das Display spezifisch für die Heizung konstruiert wurde...kostet aber wohl auch nicht die Welt. Vor einiger Zeit (auf der Suche nach einem brauchbaren Display für mein Arduino) bin ich über eine Seite gestolpert wo man LCD selber designen und nach eigenen Vorgaben fertigen lassen konnte, auch als Privatperson und in Kleinstmengen kosteten die nicht die Welt, kann die Seite aber nicht mehr finden...aber das nur nebenbei.

    Schaut man gaaaanz genau hin sieht man auch die Umrisse der grafischen Darstellung der Heizung etc. als feine, helle Linien.
    Habe zugegeben auch sonst noch keinen sonderangefertigten LCD in der Hand gehabt, wo man das gesehen hat, fand ich ganz nett.

    Zitat von Urs

    Schade, Pin 5 wäre sehr interessant gewesen.
    In dem Fall würde ich persönlich die beiden Vorwiderstände der beiden LED entlöten (rechts vom roten Strich), da ein paar Leitungen anlöten und diese über einen Schalter, Arduino oder was auch immer für eine Schaltung ziehen und die entsprechenden Vorwiderstände für die LED dann extern in der Leitung einschlaufen. Vorteil davon: Das ganze wäre relativ einfach zurückzubauen da keine Leiterbahnen getrennt werden müssen. Nachteil: Nur die LED-Beleuchtung wird darüber abgeschalten, der LCD selber läuft weiter und zieht entsprechend Strom, wobei das bei LCD denke ich in dem Fall vernachlässigt werden kann.

    Gruss
    Urs

    Da werden sich die unterschiedlichen Herangehensweisen deutlich, ich finde eine Leiterbahn zu reparieren, die sauber getrennt wurde geht schneller als den richtigen Widerstand ausm Kästchen zu suchen und einzulöten. Aber ja, deine ist prinzipiell die sauberere Variante.


    Zitat von Urs


    Im Datenblatt steht zu den beiden Pins folgendes:
    可分别配置成段输出或通用输入端口,可连接拨轮式电子编码开关 Alles klar ;)
    Ok, hier die Übersetzung: "Kann als Segmentausgang oder Universaleingangsport konfiguriert werden, kann an den elektronischen Wahlschalter angeschlossen werden" (zugegeben, Google hat mir etwas geholfen ;) )
    Wenn ich die Leiterbahnen anschaue sieht es nicht so aus als ob die beiden als Segmentausgänge benutzt werden. Weiss nicht wie empfindlich so ein Chip reagiert, aber ich wäre trotzdem Vorsichtig da eine Spannung oder Gnd anzulegen, bevor ich nicht sicher wüsste dass die auch als SW-Pins konfiguriert sind. Weiter unten im Datenblatt, bei Kapitel 6.1 steht was von Arbeitspunkt einstellen und dann bit0 und 1 setzen um es als SW statt Segment Ausgang Pins zu setzen, aber das geht mir nun definitiv zu tief in die Digitaltechnologie rein...da muss ich passen...


    Ich war mal so mutig...weshalb auch immer, ich bin da schließlich arg unempfindlich, was Helligkeit sowie Umgebungsgeräusche in Verbindung mit Schlaf anbelangt.
    Alle Aufnahmen im manuellen Modus mit den gleichen Einstellungen:

    Normal:

    Pin 13 auf Masse:

    Pin 14 auf Masse:


    Bei Pin 13 auf Masse bleibt das "C" hell, bei Pin 14 auf Masse bleiben die "Empfangsbalken" hell und jede Zahl der Uhrzeit hat ein (dunkler als bei Pin 13) "C" stehen.
    Beide zusammen auf Masse ähnelt eher Pin 14.
    Die Hintergrundbeleuchtung leuchtet in jedem Falle (wenig überraschend) unverändert hell.

    5V und 10K Widerstand kann ich gerade nicht probieren, nahezu meine gesamte Werkstatt inkl. dem Elektronikkram ist - bis geeignete Räumlichkeiten gefunden sind - eingelagert :|
    Zumal sich mir der Sinn dabei nicht erschließt...das kann aber auch an mir liegen.

    Fürs Protokoll: Die Schrauben, welche die Bedieneinheit zusammenhalten sind unter der Frontfolie zu finden, an jeder Ecke eine,
    einfach mit einem Cuttermesser o.ä. anheben und schon sind die Schrauben sichtbar.

  • pseudopolis
    womobox-Halbgott
    Beiträge
    912
    Wohnort
    Dort, wo die Kutsche gerade steht
    Wohnkabine
    selbst gebaut
    • 26. November 2018 um 06:57
    • #97

    Hmmm, wird wohl zur segmentsteuerung benutzt. War wohl nix.

    Nächste idee: Das Display mit einen zusätzlichen mikroschalter schaltbar machen. Material: 1x doppelmikroschalter, 2x 470ohm widerstand und etwas kabel.
    Man nimmt die beiden im foto markierten 470ohm smd widerstände raus. Dann jeweils an der widerstandsseite der LEDs ein kabel anlöten, das dann an je einen kontakt des schalters gelötet wird. Die zwei neuen 470ohm widerstände auf die jeweils andere seite des schalters und mit der 5v versorgung verbinden. Den schalter im gehäuse des bedienelements oder wo immer er sich gut macht unterbringen.


    Um das display dunkler zu machen, könnte man auch die 470ohm widerstände gegen einen höheren wert ersetzen. Zb 2,2k müsste deutlich dunkler sein.

    Wer es schaltbar UND dimmbar haben will, kann einen wechselschalter mit nullstellung in der mitte nehmen, auf der einen seite die 2,2k widerstände und auf der anderen 470ohm, wie im original.

    Ciao, Michi

    Bilder

    • platine.jpg
      • 259,84 kB
      • 1.373 × 910
  • mrmomba
    womobox-Guru
    Beiträge
    4.372
    • 26. November 2018 um 11:15
    • #98

    Moin,

    ich bin wie sich dieser Fread entwickelt.
    Das wichtigste Vorwer: Die beigelegte Skizze zum Stromlaufplan im Handbuch würde ich nur ganz wenig Vertrauen entgegen bringen da diese schon auf dem ersten Blick nicht stimmen :)

    Hier mal meine Anfänge das alles zu verstehen. Der MicroController KÖNNTE! auf dem ersten Blick ein Atmell MEGA328P sein. Da müsste der 3. PIN GND, 4PIN VCC sein an Linke Seite (beim dem Punkt) und PIN 2 und PIN 3 an der Oberseite (rechts von Punkt) müssten RX /TX sein, also auf den TTL-Slot gehen.
    Interessant zu wissen wäre, an welchen PIN Das blaue Signalkabel von außen geht :)

    https://www.imagebanana.com/s/1253/ylwgA1mQ.html

    => Interessant ist auch die Tatsache, dass beide Einheiten eine TTL-Schnittstelle haben .

    => Ebenfalls frage ich mich, ob bei beiden die gleichen µC verwendet werden. Dann wäre aber meine MEGA328iger Vermutung falsch :(

    5596-9c1f21f7b8c7fa5e47e4297fb7f4dc44cd25032b.webp

    Es Grüßt: MrMombatou
    ----

    Mrmombas + seine Frau und ihr neuer, erster Camper VW T3
    Mrmombas + Seine Frau und ihre erste Quasileerkabine!
    Mrmombas + Seine Frau und ihre neues Übergangswohnzeug

  • clubby
    womobox-Spezialist
    Beiträge
    236
    • 26. November 2018 um 12:28
    • #99

    Hallo Zusammen,

    ich versuche noch über Tastenkombinationen den Bildschirm weg und wieder her schalten zu können. Habe dazu einige youtubes angesehen, außer dem Code = 1688 (nützt uns hier zum Thema nichts) habe ich noch nichts herausbekommen. Der Händler den ich anschrieb hat auch noch nicht geantwortet.

    VG, clubby

  • mrmomba
    womobox-Guru
    Beiträge
    4.372
    • 26. November 2018 um 12:33
    • #100

    Code 1688?
    Was bringt mir der Code?
    (Nachtrag Ok. mit dem Code kommt man in ein weiteres Config Menue)
    => Tastenkombinationen den Bildschirm weg und wieder her schalten <=
    Meinst du damit Ein und Ausschalten?

    Ich laß auch was von 9009 (nicht von mir getestet)
    EDIT: +~~~~~~~~~~~~~~~~~~~~~~~~~+


    Manuelles Anpassen der Dieselpumpe (Min / Max) in HZ (1,5Hz -> 5,5HZ)
    Drehgeschwindigkeit ds Lüfters (Min / Max) in RPM ( 1680 -> 4500 )
    Spannungsanpassung 12V / 24V
    Menüpunkt SN-1 SN-2 ?? Keine Ahnung.


    ===>
    Noch eine ergänzung: Sollte das LCD-Display statt Temperaturen einen HZ-Wert anzeigen, kann man das mit dem gleichezieitgen Drücken von "Einstellungen"+"PfeilOben" ändern.
    (Oder umgekehrt)

    5596-9c1f21f7b8c7fa5e47e4297fb7f4dc44cd25032b.webp

    Es Grüßt: MrMombatou
    ----

    Mrmombas + seine Frau und ihr neuer, erster Camper VW T3
    Mrmombas + Seine Frau und ihre erste Quasileerkabine!
    Mrmombas + Seine Frau und ihre neues Übergangswohnzeug

    Einmal editiert, zuletzt von mrmomba (27. November 2018 um 08:06)

Jetzt mitmachen!

Mit einem Benutzerkonto kannst du das womobox Forum noch besser nutzen.
Als registriertes Mitglied kannst du:
- Themen abonnieren und auf dem Laufenden bleiben
- Dich mit anderen Mitgliedern direkt austauschen
- Eigene Beiträge und Themen erstellen

Benutzerkonto erstellen Anmelden

Spenden-Ziel

Jährlich (2026)

0 %

0% (0,00 von 550 EUR)

Jetzt spenden

Benutzer online in diesem Thema

  • 7 Besucher
  1. Nutzungsbedingungen
  2. Datenschutzerklärung
  3. Impressum
Gefällt es dir hier? Dann bitte jetzt :)
Community-Software: WoltLab Suite™