1. Portal
  2. Forum
    1. Forenübersicht
    2. FAQ - Fragen rund ums Forum
  3. Camper
    1. Bautagebücher
    2. Camper Galerie
    3. Wissensbasis
  4. Treffen
    1. Anstehende Treffen
    2. Impressionen vergangener Treffen
  5. Reisen
    1. Reiseziele
    2. Reiseberichte
    3. Urlaubsfotos
  • Anmelden
  • Registrieren
  • Suche
Dieses Thema
  • Alles
  • Dieses Thema
  • Dieses Forum
  • Artikel
  • Seiten
  • Forum
  • Termine
  • Galerie
  • POIs
  • Blog-Artikel
  • Erweiterte Suche
  1. womobox & Leerkabinen-Forum
  2. Forum
  3. Ausbau: Installation und Technik
  4. Strom: Batterie, Laden, Solar und Elektrik

230V Ladegerät an Landstrom mit oder ohne FI?

  • mrmomba
  • 13. Mai 2018 um 22:50
  • mrmomba
    womobox-Guru
    Beiträge
    4.401
    • 13. Mai 2018 um 22:50
    • #1

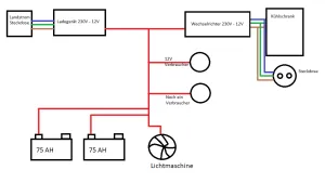
    Moin an alle Wissenden / Unwissenden und Forenbesucher,

    kurze Frage:
    Wenn ich direkt hinter der Landstromdose ausschließlich nur ein 12V Ladegerät betreibe, brauche ich dann ein FI?
    Brauche ich ebenfalls ein FI hinter einem Wechselrichter?
    Fall sich jetzt jemand fragt, was das werden soll - Grundlegender Aufbau sollte sein:

    Bilder

    • Unbenannt.png
      • 21,08 kB
      • 1.078 × 687
    5596-9c1f21f7b8c7fa5e47e4297fb7f4dc44cd25032b.webp

    Es Grüßt: MrMombatou
    ----

    Mrmombas + seine Frau und ihr neuer, erster Camper VW T3
    Mrmombas + Seine Frau und ihre erste Quasileerkabine!
    Mrmombas + Seine Frau und ihre neues Übergangswohnzeug

  • Stoppie
    womobox-Halbgott
    Beiträge
    538
    Wohnort
    Münsterland
    • 13. Mai 2018 um 23:33
    • #2

    Hallo mrmomba,

    für den Schutz gegen elektrischen Schlag in einem Wohnmobil ist ein FI-Schutzschalter (RCD) mit einem Bemessungsstrom von maximal 30mA vorgeschrieben, egal ob es nur einen Verbraucher oder 20 Verbraucher in dem Mobilheim gibt. Das ist auch sinnvoll. So ein RCD kostet kaum etwas, der Schutzeffekt ist dagegen sehr hoch.

    In Deiner Zeichnung sehe aber noch zwei weitere 230V-Geräte, eine Steckdose, an die ein 230V-Gerät angeschlossen werden kann und einen Kühlschrank.

    Moderne Wechselrichter schalten den 230V-Landstrom potentialbehaftet an die angeschlossenen 230V-Verbraucher durch. Somit ist ein weiterer RCD hinter dem Wechselrichter eigentlich nicht notwendig. Was ich im Moment nicht beantworten kann ist die Verwendung eines RCD hinter dem Wechselrichter, wenn dieser nur über die Bordbatterien gespeist wird. Das kann ich Dir aber demnächst sagen, wenn ich mich um den Einbau meines WR in mein Fahrzeug kümmere. :idea:

    Man(n) fährt MAN :)

  • Stoppie
    womobox-Halbgott
    Beiträge
    538
    Wohnort
    Münsterland
    • 13. Mai 2018 um 23:40
    • #3

    uups, ich muss mich korrigieren. Du hast ja gar keinen Wechselrichter mit Ladefunktion. Ich hatte an meinen Victron Multiplus gedacht, als ich die vorigen Zeilen schrieb. Du hast aber einen reinen Wechselrichter, der ausschließlich aus 12V DC => 230 V AC generiert. In sofern passt das mit dem "potentialbehafteten Durchschalten" des Landstrom garnicht.
    Es bleibt aber dabei - RCDs sind bei Landstrom-Versorgung Pflicht.

    Man(n) fährt MAN :)

  • Online
    holger4x4
    womobox-Guru
    Beiträge
    7.467
    Wohnort
    Bergisches Land
    • 14. Mai 2018 um 19:44
    • #4

    ... macht aber eigentlich nur Sinn, wenn man auch eine 230V Steckdose hat, an der irgendein ggf. defekter Verbraucher angeschlossen werden könnte,
    Wenn nur ein Ladegerät als feste Intallation verbaut ist besteht die Gefahr eigentlich nicht, oder?
    Ich würde trotzdem einen FI verbauen, vielleicht kommst du später noch auf die Idee was anderes zu verbauen und dann kann wenigstens nichts schief gehen.

    Gruß, Holger

  • Online
    nunmachmal
    womobox-Guru
    Beiträge
    4.659
    Wohnort
    71634 Ludwigsburg
    Wohnkabine
    selbst gebaut
    • 14. Mai 2018 um 22:21
    • #5
    Zitat von holger4x4

    ... macht aber eigentlich nur Sinn, wenn man auch eine 230V Steckdose hat, an der irgendein ggf. defekter Verbraucher angeschlossen werden könnte,
    Wenn nur ein Ladegerät als feste Intallation verbaut ist besteht die Gefahr eigentlich nicht, oder?
    Ich würde trotzdem einen FI verbauen, vielleicht kommst du später noch auf die Idee was anderes zu verbauen und dann kann wenigstens nichts schief gehen.


    Kann das Ladegerät nicht auch mal zum defekten Verbraucher mutieren?
    Ich würde sagen:"230 Volt an Bord = Fi-Schutzschalter"!

    Gruß Nunmachmal

    Ich habe viel aus meinen Fehlern gelernt, ich glaube ich mache noch einen.

  • Steff66
    Gast
    • 14. Mai 2018 um 23:33
    • #6

    Hi,
    Ein Ladegerät darf als Stromversorgung ohne vorgeschalteten Fehlerstromschutzschalter verwendet werden.
    Die Form der Einspeisung ist in der alktuellen Norm (DIN VDE 0100-721) sogar ausdrücklich erlaubt, wenn das Ladegerät
    die Anforderungen an die Erzeugung von Schutzkleinspannung erfüllt. Das sollte der Hersteller des Ladegeräts wissen bzw. im Datenblatt stehen - nach DIN EN 60335-1 DIN bzw. DIN EN 61558-2-6 suchen.

    Wenn Du einen Wechselrichter einbaust, muss nach oben erwähnter Norm ein Fehlerstromschutzschalter nachgeschaltet werden. Praktisch alle auf dem Markt erhältlichen Wechselrichter erzeugen ein erdfernes Netz- auch die Multis von Victron-,
    d.h. ein Pol des 230V Abgangs des WR muß vor oder am Zugang des FI mit dem Schutzleiter verbunden werden, Die Multis machen das automatisch, wenn die entsprechend konfiguriert sind.
    Der Schutzleiter des 230V Bordnetzes muß auch mit der Karosserie verbunden werden, so, wie das bei direkter 230V Einspeisung gemacht werden müsste.

    Grüße
    Stephan

  • mrmomba
    womobox-Guru
    Beiträge
    4.401
    • 15. Mai 2018 um 08:19
    • #7

    Hallo,

    danke für die Info Steff66
    Andersrum gesagt, wenn mein Lader die Norm nicht hat, muss ich 2x FI verbauen?
    (Ich geh nicht davon aus, denn es ist ein Steinalter: Mobitronic 915-012-D Lader )
    ...

    Ok, ich hab ein Handbuch gefunden - hätte ich mal genauer lesen sollen, gleich der 1. Satz:

    Zitat

    Warnung! Den 230 V-Anschluss des IU0U-Ladegerätes über einen Fehler- D
    stromschutzschalter mit 30 mA Nennfehlerstrom absichern und nur so
    betreiben!


    Muss ich also mein Aufbau mit 2x FI betrieben?

    5596-9c1f21f7b8c7fa5e47e4297fb7f4dc44cd25032b.webp

    Es Grüßt: MrMombatou
    ----

    Mrmombas + seine Frau und ihr neuer, erster Camper VW T3
    Mrmombas + Seine Frau und ihre erste Quasileerkabine!
    Mrmombas + Seine Frau und ihre neues Übergangswohnzeug

  • dm
    womobox-Spezialist
    Beiträge
    366
    Wohnort
    Herne (Ruhrgebiet)
    • 15. Mai 2018 um 14:09
    • #8

    Hi,
    da die 30 mA FIs nix mehr kosten (und auch nix wiegen :-)) sehe ich da kein Problem.
    Und es gibt auch Wechselrichter, die den FI bereits eingebaut haben. Da brauchst du dich nichtmal um irgendwas kümmern.
    Die Blue Serie von Fraron hat z.B. den FI eingebaut und auch gleich Reserven für den Anlaufstrom deines Kühlis (ich nehme an das soll ein Kompressor sein).
    --dm--

  • Steff66
    Gast
    • 15. Mai 2018 um 18:11
    • #9

    Hallo mrmomba,
    Ja, so ist es. ich würde zwar behaupten, dass Batterieladegeräte eigentlich „echte“Schutzkleinspannung liefern müssen, ob das dann in der Praxis auch wirklich so ist, muss man schauen. bei Markengeräten würde ich davon ausgehen.
    Auch Konformitätserklärungen sind heute ja oft das Papier nicht wert, ein expliziter Hinweis.. „Gerät entspricht Norm XY ist zumindest ein Hinweis darauf, das der Hersteller es ernst meint.
    Im Zweifel eben einen FI vor das Ladegerät.

    Bei den Wechselrichtern mit eingebauten Fehlerstromschutzschalter muss man aufpassen. Es muss in jedem Fall ein FI TYP A sein, einfache TYP AC sind in Deuschland schon lange nicht mehr erlaubt. Genau dieser A ist aber meistens nicht drin, sondern irgend etwas unbestimmtes oder ein nicht zulässiger TY AC.
    Grüße
    Stephan

  • mrmomba
    womobox-Guru
    Beiträge
    4.401
    • 15. Mai 2018 um 18:56
    • #10

    Nun, mein Bulli hat seit Umbau zum Camper kein FI drin - nach dem ich nun aber den FI auf dem Stellplatz abgeschossen habe wollte ich mir das mal zum Gemüte Führen, da es ausgesprochen peinlich war.
    Nun ich würde das Risiko in Kaufnehmen und den FI vor dem Ladegerät 'einsparen' Bis dato tat das nicht weh.
    Dann lieber vor dem WR, der auch geerdet ist.

    5596-9c1f21f7b8c7fa5e47e4297fb7f4dc44cd25032b.webp

    Es Grüßt: MrMombatou
    ----

    Mrmombas + seine Frau und ihr neuer, erster Camper VW T3
    Mrmombas + Seine Frau und ihre erste Quasileerkabine!
    Mrmombas + Seine Frau und ihre neues Übergangswohnzeug

  • Steff66
    Gast
    • 15. Mai 2018 um 20:17
    • #11

    Hi,
    der FI wäre in jedem Fall erst ab Aufbaudatum April 2012 vorgeschrieben und danach nicht unter den oben erwähnten Bedingungen.
    Gegen das Auslösen des FI auf dem Campingplatz nützt Dir der Fi vor dem Ladegerät nix, es werden im Zweifel beide auslösen.
    Wenn das alles so schon funktioniert, würde ich es lassen. Lebensgefährlich sind Ladegeräte an sich ja nicht. :D
    Der Fi nach dem Wechselrichter ist natürlich sinnvoll, vorgeschrieben aber auch erst seit 2012.
    Wenn Die Ankage älter ist und Du nichts Wesentliches änderst, kannst Du alles lassen, wie es ist.
    Grüße
    Stephan

  • Balu
    womobox-Guru
    Beiträge
    3.501
    Wohnort
    Unterfranken
    • 15. Mai 2018 um 21:02
    • #12
    Zitat von Steff66

    Wenn Die Ankage älter ist und Du nichts Wesentliches änderst, kannst Du alles lassen, wie es ist.

    Kommt drauf an, ob man den Schwerpunkt auf irgendwelche formalen Vorschriften legt, oder ob man die eigene Sicherheit im Fokus hat.
    Von daher würde ich einbauen, was sinnvoll ist. Wobei mir nicht klar ist, ob nach 2012 nur der Amtsschimmel gewiehert hat, oder ob die schärferen Vorschriften Sinn machen...

    ...ich persönlich hänge an meinem Leben und bin deshalb gerade bei Strom und Gas bemüht auf der sicheren Seite zu sein.

    Gruß
    Herby

    Probier's mal mit Gemütlichkeit

  • Urs
    womobox-Guru
    Beiträge
    1.794
    Wohnort
    Egliswil (AG)
    • 15. Mai 2018 um 22:15
    • #13

    Ich überlege gerade was ein FI in einer autarken Anlage überhaupt bewirken kann. Irgendwie komme ich da zum Schluss dass der da gar nicht funktionieren kann...und irgendwie sehe ich da auch die Gefahr grad nicht, zumindest keine welche ein FI verhindern kann, aber vielleicht mache ich auch einen Denkfehler.
    Wenn man nicht am Stromnetz hängt, hat das Stromnetz vom Fahrzeug (230V vom Wechselrichter) ja auch keinerlei Verbindung zur Erde. Wenn jetzt im Worst Case eine Phase das ganze Chassis vom Fahrzeug unter Spannung setzt so wird meines Erachtens auch nichts passieren auch wenn man Barfuss auf dem nassen Rasen das Chassis anfasst. Und da kein Strom gegen Erde abfliesst wird auch kein FI jemals ausschalten, obwohl ein Fehler vorliegt. Daher sehe ich auch keinen Sicherheitsgewinn darin wenn man hinter dem Wechselrichter ein FI einbaut. Anders sieht es natürlich aus wenn man eine Erdung mittels Kabel ins Fahrzeug holt und das Fahrzeugnetz hinter dem Umrichter nicht galvanisch vom Haus-/Campingplatznetz getrennt ist.

    Aber wie sieht es bei euch aus mit Strom im fahrenden Fahrzeug. Ich wurde bei der Zulassung gefragt ob ich einen Wechselrichter drin habe, angeblich hätten da bei uns in der Schweiz weitere Vorschriften beachtet werden müssen. So wie ich es damals verstanden habe ging es dabei insbesondere darum Rettungskräfte davor zu warnen/schützen. Da ich keinen Wechselrichter drin hatte (und auch heute noch nicht habe) hab ich da aber nicht weiter nachgehackt...

    Gruss
    Urs

    In der Theorie entspricht die Praxis der Theorie...

  • abgewrackter
    Frisch-dabei
    Beiträge
    19
    • 16. Mai 2018 um 00:23
    • #14

    Dein Wechselrichter wird am Chassis "geerdet".
    Fehlerstrom kann dann wahlweise über Dich zum Chassis/PE oder innerhalb eines Gerätes auf dessen Gehäuse und damit PE fließen. Ohne FI/RCD auch bis zur Maximalleistung Deines Wechselrichters ;)

  • Steff66
    Gast
    • 16. Mai 2018 um 06:18
    • #15

    Morgen,

    Zitat von abgewrackter

    Dein Wechselrichter wird am Chassis "geerdet".
    Fehlerstrom kann dann wahlweise über Dich zum Chassis/PE oder innerhalb eines Gerätes auf dessen Gehäuse und damit PE fließen. Ohne FI/RCD auch bis zur Maximalleistung Deines Wechselrichters ;)


    Nein, erst mal nicht. Die Erdung des Wechselrichtergehäuses bewirkt erst mal gar nichts, das Netz das er ausgibt, hat kein Potential gegen Erde, ein Strom kann nicht fließen. erst, wenn man einen Pol der Abgangs mit dem Chassis/Erde verbindet, kann ein Strom gegen Erde fließen. Soweit hat Urs schon recht, das entspricht der Schutzmaßnahme „Schutztrennung“. Aber:
    Bei Schutztrennung werden verständlicherweise sehr hohe Anforderungen an die Wirksamkeit der Trennung gestellt, die die WR in der Regel nicht erfüllen. Man speist ja meist über eine mit der Fahrzeugmasse verbundene Batterie und ein simpler Defekt an einen elektronischen Bauteil könnte die Trennung aufheben, das Netz wäre dann doch irgendwie geerdet.
    Jedenfalls hat man sich geeinigt, das Schutztrennung im Wohnwagen/mobilen nicht angewendet werden darf, somit bleiben der Fehlerstromschutzschakter im geerdeten Netz oder die Schutzkleinspannung als Schutzmaßnahme.
    Alles Weitere tut man in Eigenverantwortung.


    Zitat von Balu

    Kommt drauf an, ob man den Schwerpunkt auf irgendwelche formalen Vorschriften legt, oder ob man die eigene Sicherheit im Fokus hat.
    Von daher würde ich einbauen, was sinnvoll ist. Wobei mir nicht klar ist, ob nach 2012 nur der Amtsschimmel gewiehert hat, oder ob die schärferen Vorschriften Sinn machen...


    ...ich persönlich hänge an meinem Leben und bin deshalb gerade bei Strom und Gas bemüht auf der sicheren Seite zu sein.

    Gruß
    Herby


    Man darf ja jederzeit höhere Standards als vorgeschrieben anwenden, wer mag, darf ja gerne die Anlege den neuesten Vorgaben anpassen.Man muss es aber in der Regel nicht, ich möchte das Geschrei auch nicht hören, wenn das verlangt werden würde. Ich glaube nicht, dass Du jedes Mal, wenn eine neue Norm erscheint, Dein Auto komplett umbaust. :D
    Die Vorschriften, von denen wir hier sprechen, werden nicht von Behörden ausgegeben, sondern von Praktikern, da wiehert recht wenig Amtsschimmel, man reagiert auf gemachte Erfahrungen, mag in anderen Bereichen anders sein.

    Urs

    Ob es bei Euch nationale Vorschriften gibt, die den Einsatz von WR während der Fahrt verbieten, weiß ich nicht,
    Aus Sicht der internationalen „Stromnormen“ wüsste ich nicht, was dagegen spricht.

    Grüße Stephan

  • Urs
    womobox-Guru
    Beiträge
    1.794
    Wohnort
    Egliswil (AG)
    • 16. Mai 2018 um 06:39
    • #16
    Zitat von abgewrackter

    Dein Wechselrichter wird am Chassis "geerdet".
    Fehlerstrom kann dann wahlweise über Dich zum Chassis/PE oder innerhalb eines Gerätes auf dessen Gehäuse und damit PE fließen. Ohne FI/RCD auch bis zur Maximalleistung Deines Wechselrichters ;)


    Da passiert mir aber auch erst was wenn das defekte Gerät keine Erdverbindung mehr zum Chassis hat und ich das Gehäuse und das Chassis gleichzeitig berühre. So lange eine Erdverbindung vom defektem Gerät zum Chassis besteht wird die (hoffentlich vorhandene) Sicherung am Wechselrichter rausfliegen.
    Wenn das defekte Gerät keine Erdverbindung hat, ich auf dem nassen Rasen stehe und es anfasse, stehe ich dann zwar auch unter Spannung, es passiert mir aber nichts da das Fahrzeugchassis ja isoliert vom Boden ist und somit der Stromkreis nicht geschlossen ist...kritisch wird es erst wenn das Fahrzeug bis zu den Achsen im Schlamm steht...
    Das lässt für mich eigentlich den Schluss zu dass es bei einer autarken Inselanlage rein Sicherheitstechnisch besser wäre die Geräte nicht mit dem Chassis sondern nur miteinander zu verbinden (jetzt mal alle Normen und sonstige Regelwerke die was anderes vorschreiben aussen vor).
    Bildet eigentlich ein GFK-Koffer nicht per se ein überdimensionales "Gerät mit Sonderschutzisolierung", womit die Erdung des Chassis hinfällig würde? :wink:

    Zitat von Steff66


    Urs

    Ob es bei Euch nationale Vorschriften gibt, die den Einsatz von WR während der Fahrt verbieten, weiß ich nicht,
    Aus Sicht der internationalen „Stromnormen“ wüsste ich nicht, was dagegen spricht.

    Verboten ist es meines Wissens nicht, so wie ich es verstehe gelten nur strengere Vorschriften, die gleichen eben wie auch für das ganze Elektromobil-Gedöns mit Batteriespannungen jenseits von gut und böse.

    Gruss
    Urs

    In der Theorie entspricht die Praxis der Theorie...

  • campo
    womobox-Guru
    Beiträge
    1.026
    Wohnort
    Belgien
    • 16. Mai 2018 um 08:10
    • #17
    Zitat von Urs

    Ich überlege gerade was ein FI in einer autarken Anlage überhaupt bewirken kann. Irgendwie komme ich da zum Schluss dass der da gar nicht funktionieren kann...und irgendwie sehe ich da auch die Gefahr grad nicht, zumindest keine welche ein FI verhindern kann, aber vielleicht mache ich auch einen Denkfehler.
    Wenn man nicht am Stromnetz hängt, hat das Stromnetz vom Fahrzeug (230V vom Wechselrichter) ja auch keinerlei Verbindung zur Erde. Wenn jetzt im Worst Case eine Phase das ganze Chassis vom Fahrzeug unter Spannung setzt so wird meines Erachtens auch nichts passieren auch wenn man Barfuss auf dem nassen Rasen das Chassis anfasst. Und da kein Strom gegen Erde abfliesst wird auch kein FI jemals ausschalten, obwohl ein Fehler vorliegt. Daher sehe ich auch keinen Sicherheitsgewinn darin wenn man hinter dem Wechselrichter ein FI einbaut. Anders sieht es natürlich aus wenn man eine Erdung mittels Kabel ins Fahrzeug holt und das Fahrzeugnetz hinter dem Umrichter nicht galvanisch vom Haus-/Campingplatznetz getrennt ist. ...
    Gruss
    Urs

    Ich habe das mal so gemessen weil es immer wieder Fälle gibt bei Netzanschluss wo Leute Strom Fließen fühlen mit die Hände :mrgreen:
    Das kommt dann, weil es keine Erdverbindung in dem Land Kabel gibt und über die Kondensatoren in die verschiedenste 230V Bordgeraten Leck Ströme auftreten.

    Also Erdleitung im Netzkabel weggeholt und Messung zwischen Fahrzeug Aufbau und Erde gemacht (Hier ein Ducato)
    123V :shock:


    Jetzt Iveco Daily 4x4 7T, vorher TGM 13290 4x4

  • mrmomba
    womobox-Guru
    Beiträge
    4.401
    • 16. Mai 2018 um 09:39
    • #18

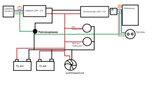
    Woohoo,
    Jetzt wird es langsam fast zu technisch.
    So ich mach mal noch ein Bild, wie ich es quasi Umstricken würde:

    Fall 1: Angenommen ich bin am Landstrom angeschlossen, und es wäre Irgendwas mit dem Ladegerät, dann hätte ich logisch ein Problem am orangen Punkt 1. Da muss ich hoffen, dass der FI vom Campingplatz mir Schutz gibt. Solange ich aber im PKW bin passiert mir nichts.
    Praktisch ging dieser Aufbau lange gut. Bevor ich das Mobitronic verbaut hatte, war es ein normales Bosch-Batterieladegerät OHNE Schutzkontakt.
    Sollte ich ärger haben mit einem Kleingerät oder dem Kühlschrank am Wechselrichter, sollte der FI vorm Wechselrichter auslösen und eigentlich damit mich Schützen - oranger Punkt 2.

    Fall 2: Wenn ich kein Landstrom habe, würde Punkt 1 mir garnichts bringen. Das heißt im Fehlerfall und Worst-Case gibt mir der Wechselrichter die volle Ladung durch die Knochen. Da schützt mich nur der Punkt 2. Da aber bis auf dem Kühlschrank eigentlich nur Geräte ohne Schutzkontakt betrieben würden, wäre dieses aber auch hinfällig. Es wird Maximal zum Kühlschrank noch Laptop- und Ebike-Akkuladegerät hinzukommen.

    Frage 1: Ist der FI Gleichzeitig mit einem Kabelsicherungsautomat ausgestattet - dann Spare ich mir den Platz auch. Warum keine 2,3,4 FIs? Der T3 ist einfach klein!
    Frage 2: Kann ich eigentlich ein typischen Sicherungsautomat auch für 12V nutzen, statt den Schmelzsicherungen?

    campo,
    die Messung ist zwar interessant, wirklich, aber es sagt nur bedingt was aus. Interesstant wäre zur Spannung die Stärke, die über ERDE geht.
    130V mit z.b. 5mA kribbel und ein FI würde da nichts machen. 130V mit 1A töten, da hätte was passieren müssen.
    Vermutlich hat unser Bulli soviel Lack- und Spachtelschichten, dass er komplett isoliert ist :P

    Bilder

    • Unbenannt.png
      • 17,88 kB
      • 1.159 × 712
    5596-9c1f21f7b8c7fa5e47e4297fb7f4dc44cd25032b.webp

    Es Grüßt: MrMombatou
    ----

    Mrmombas + seine Frau und ihr neuer, erster Camper VW T3
    Mrmombas + Seine Frau und ihre erste Quasileerkabine!
    Mrmombas + Seine Frau und ihre neues Übergangswohnzeug

  • Steff66
    Gast
    • 16. Mai 2018 um 13:03
    • #19

    Hallo mrmomba,
    das passt soweit, allerdings würde ich die Batterien massefrei montieren, Masse als Rückleitung ist im Aufbau nicht erlaubt und auch nicht besonders sinnvoll, zweiadrig und mit einen zentralen Minusverteiler wäre richtig.
    Das Ladegerät sollte schutzisoliert sein und so nahe wie möglich an der Einspeisung montiert werden.
    Ob das beim Mobitronic so ist, weiß ich jetzt nicht.
    Diese Lösung ist dann genau so sicher wie ein Fehlerstromschutzschalter an der Einspeisung, einen separaten Leitungsschutzschalter brauchst Du bei dieser Lösung auch nicht.
    Es gibt aber Kombigeräte FI/LS, mit zweipoligem Leitungsschutz sind die selten und teuer.

    Bei einem Fehler zwischen Einspeisung und Ladegerätzugang schützt Dich die Schutzmaßnahme der Einspeisung, wie auch immer die ausschaut.
    Nach dem Ladegerät besteht der Schutz Inder sicheren, kleinen Spannung des Ladegeräts.

    Da Du 230V ausschließlich über den WR betreibst, schützt Dich dercdem WR nachgeschaltete Fi, wenn er fachgerecht verdrahtet ist, also eine Brücke zwischen PE Anschluss und einem Pol des WR.Eine Absicherung würde ich nicht vorsehen, wenn der WR weniger als 16A liefert.
    Grüße
    Stephan

  • Steff66
    Gast
    • 16. Mai 2018 um 13:07
    • #20

    Urs,
    Ein GFK Koffer ist sicher kein „Gerät mit Sonderschutzisolierung“ oder erzeugt die Schutzmaßnahme „Schutz durch nichtleitende Räume“, die Anforderungen erfüllt er nicht mal im Ansatz.
    Davon abgesehen ist diese Schutzmaßnahme ausdrücklich ausgeschlossen.
    Grüße Stephan

Jetzt mitmachen!

Mit einem Benutzerkonto kannst du das womobox Forum noch besser nutzen.
Als registriertes Mitglied kannst du:
- Themen abonnieren und auf dem Laufenden bleiben
- Dich mit anderen Mitgliedern direkt austauschen
- Eigene Beiträge und Themen erstellen

Benutzerkonto erstellen Anmelden

Spenden-Ziel

Jährlich (2026)

33,5 %

33,5% (167,50 von 500 EUR)

Jetzt spenden
  1. Nutzungsbedingungen
  2. Datenschutzerklärung
  3. Impressum
Gefällt es dir hier? Dann bitte jetzt :)
Community-Software: WoltLab Suite™