1. Portal
  2. Forum
    1. Forenübersicht
    2. FAQ - Fragen rund ums Forum
  3. Camper
    1. Bautagebücher
    2. Camper Galerie
    3. Wissensbasis
  4. Treffen
    1. Anstehende Treffen
    2. Impressionen vergangener Treffen
  5. Reisen
    1. Reiseziele
    2. Reiseberichte
    3. Urlaubsfotos
  • Anmelden
  • Registrieren
  • Suche
Dieses Thema
  • Alles
  • Dieses Thema
  • Dieses Forum
  • Artikel
  • Seiten
  • Forum
  • Termine
  • Galerie
  • POIs
  • Blog-Artikel
  • Erweiterte Suche
  1. womobox & Leerkabinen-Forum
  2. Forum
  3. Camping-Fahrzeuge
  4. Paketkoffer
  5. Rund um den Paketkoffer

Kögel Automatik 308D Steuerplatine defekt

  • balkgdslfn
  • 28. Oktober 2022 um 08:24
  • mrmomba
    womobox-Guru
    Beiträge
    4.397
    • 31. Oktober 2022 um 22:04
    • #21

    Wobei zurückentwickelt und die Notizen mit Kugelschreiber und Lineal doch wieder erlaubt wären...

    ..

    ..

    Besser keine schlafenden Hunde wecken

    5596-9c1f21f7b8c7fa5e47e4297fb7f4dc44cd25032b.webp

    Es Grüßt: MrMombatou
    ----

    Mrmombas + seine Frau und ihr neuer, erster Camper VW T3
    Mrmombas + Seine Frau und ihre erste Quasileerkabine!
    Mrmombas + Seine Frau und ihre neues Übergangswohnzeug

  • pseudopolis
    womobox-Halbgott
    Beiträge
    914
    Wohnort
    Dort, wo die Kutsche gerade steht
    Wohnkabine
    selbst gebaut
    • 9. November 2022 um 10:18
    • #22

    Hi

    sodale, hat leider etwas gedauert, mir hier zeit zu nehmen. Sieht recht ordentlich aus, aber das heisst nix. Elektronischen bauteilen sieht man meistens nicht an, ob sie defekt sind.

    Anfällige bauteile wären das relais, die 3 elkos oben links im bild und der spannungsregulator ganz in der oberen linken ecke.

    Das relais würde zu 99% mit ankündigung kaputt gehen. Also mal gehen, mal nicht und mit der zeit schlimmer werden.

    Elkos sterben in der regel, wenn sie wärme abbekommen. Ein wärme abstrahlendes bauteil ist da aber nicht in der nähe.

    Der spannungsregulator wird ziemlich sicher 5V für den processor mit dem roten klebepunkt erzeugen. Ich tippe auf 7805 oder ein equivalent als regulator. Du kannst ja mal alle 3 pins spannungsmässig messen. Pin1 sollte 12V bekommen, pin2 ist masse und pin3 5V ausgang. Spannungsregulatoren sterben schon mal einfach so. Dann wäre der processor ausser betrieb und es würde nix mehr gehen.

    Ansonsten besteht natürlich die möglichkeit, dass der fehler ausserhalb der platine liegt. Spannungsversorgung, fehlende signale, kabelbruch ... Nicht, dass du am falschen ende viel geld oder zeit investierst. Am einfachsten wäre, wenn du eine möglichkeit hättest, deine platine mal schnell in ein baugleiches auto zu stecken. Hier gibt es mitglieder mit so einem bus, vielleicht kannst du mit deiner platine dort hin fahren oder hin schicken.

    Ciao, viel erfolg, Michi

  • Flipz0_0
    Junior
    Beiträge
    16
    • 9. November 2022 um 16:57
    • #23

    Moin nochmal,

    also ich bin bei mir schon mal einen Schritt weiter. Bei mir war die Gleichrichter Diode (2. Bild, oben rechts neben dem dicken elko) defekt.
    Habe die gerade durch eine neue Ersetzt. Alles wieder eingebaut, Zündung gedreht - Sicherung durch. Scheint also als müsste danach noch ein defektes Bauteil kommen. Ich weiß nicht mehr weiter. Ideen?

  • Online
    holger4x4
    womobox-Guru
    Beiträge
    7.453
    Wohnort
    Bergisches Land
    • 9. November 2022 um 17:06
    • #24

    Hmm, ist das die Diode vor dem Spannungsregler? Dann könnte der dran schuld sein.

    Gruß, Holger

  • pseudopolis
    womobox-Halbgott
    Beiträge
    914
    Wohnort
    Dort, wo die Kutsche gerade steht
    Wohnkabine
    selbst gebaut
    • 10. November 2022 um 06:40
    • #25

    Gleichrichter kann ich keinen erkennen. Nur dioden. Ein gleichrichter macht aus wechselspannung gleichspannung, und im auto kommt nur gleichspannung vor. Aber egal. Sicherung fliegt auch noch, dann check mal die elkos oben links auf kurzschluss.

    Ich nehm mal an, die sicherung ist auch schon vor dem einbau des gleichrichters geflogen? Du hast zuvor nix von geschrieben, das macht mich stutzig. Ansonsten gleichrichter verkehrt eigebaut.

  • Sebastian
    womobox-Halbgott
    Beiträge
    273
    Wohnort
    Itzehoe
    Wohnkabine
    selbst gebaut
    • 10. November 2022 um 08:01
    • #26

    Moin,

    bitte schick mir doch mal die Baugruppe zu. Ich suche den Kurzschluss mit der Wärmebildkamera, schaue das mit Röntgendurchstrahlung an, finde den Fehler, repariere zu den Bauteilkosten und stelle den Bericht dazu hier ein.

    Beste Grüse

    Sebastian

  • Online
    holger4x4
    womobox-Guru
    Beiträge
    7.453
    Wohnort
    Bergisches Land
    • 10. November 2022 um 08:46
    • #27

    Nein, kein Gleichrichter, nur eine Diode vor dem 1. Pufferelko. Das ist normale Eingangsbeschaltung bei KFZ Elektronik um z.B. negative Störspitzen und kurze Spannungsunterbrechungen wegzupuffern. Ohne Diode wäre der Elko fast nutzlos, weil die Störer dann den Elko sofort wieder leer saugen.

    Gruß, Holger

  • Flipz0_0
    Junior
    Beiträge
    16
    • 14. November 2022 um 18:34
    • #28

    So, ich hab das Teil nun zu Sebastian geschickt, der so nett ist sich das ganze mal anzuschauen.

    Leider bin ich bisher noch nicht an den Schaltplan gekommen. Hat den Jemand und kann mir den schicken?

  • Sebastian
    womobox-Halbgott
    Beiträge
    273
    Wohnort
    Itzehoe
    Wohnkabine
    selbst gebaut
    • 16. November 2022 um 17:10
    • #29

    Moin in die Runde der interessierten Elektroniker und Elektriker,

    ich habe auf Basis von Röntgenbildern, elektrischen Messungen und Inspektionen an der Schaltung von Flipz0_0 sowie dem KfZ-Schaltbild von Odi (rote Anmerkungen) das Schaltbild erstellt. Bei der ersten Inbetriebnahme nur der Schaltung konnte kein Kurzschluss festgestellt werden. Mit diesem Plan kann ich nochmal ins Detail gehen, und vielleicht hilft das auch anderen Fehlersuchern.

    Beste Grüsse

    Sebastian

    2 Mal editiert, zuletzt von Sebastian (18. November 2022 um 08:28) aus folgendem Grund: Schaltschwellen eingetragen

  • Online
    holger4x4
    womobox-Guru
    Beiträge
    7.453
    Wohnort
    Bergisches Land
    • 16. November 2022 um 17:33
    • #30

    Uiuui, das ist aber voll 80'er :)

    Schaltet das Relais denn? Das scheint ja die Hauptversorgung des Moduls zu sein.

    Die Varistoren machen bei den alten Modulen auch gerne mal Ärger, vielleicht einfach rausschmeißen falls defekt (Angstbauteil ;) ) .

    Gruß, Holger

  • Varaderorist
    womobox-Guru
    Beiträge
    1.286
    Wohnort
    Kevelaer-Twisteden
    • 16. November 2022 um 18:45
    • #31

    Nur mal als Anmerkung:

    Es ist iimmer wieder toll,welche geballte Kompetenz hier im Forum zusammenkommt! <3 Da staunt der Laie und der Halb-Dilettant wundert sich......oder so ähnlich.... :D

    Gruß vom Niederrhein
    Michael

  • Sebastian
    womobox-Halbgott
    Beiträge
    273
    Wohnort
    Itzehoe
    Wohnkabine
    selbst gebaut
    • 17. November 2022 um 12:59
    • #32

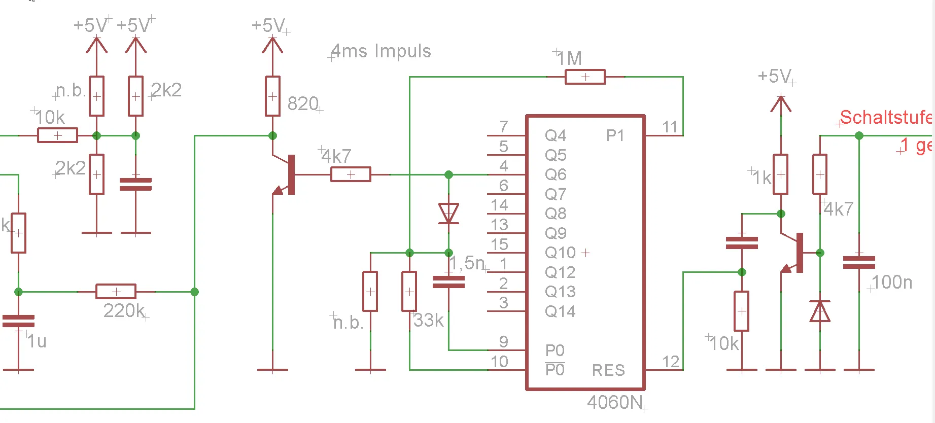
    Nun brauche ich etwas Unterstützung von Automatikschaltexperten. Die Platine gibt stumpf die Schalterstellungen 1-4,R,N,P an den Stellmotor weiter. Bei der Simulation komme ich gar nicht dazu, dass die Schaltsperre irgendetwas bewirkt. Ein +12V-Signal an dem Schaltsperreneingang rechts gibt einen Reset-Impuls auf den Oszillator/Teiler (4060). Der Oszillator aus 33kOhm und 1,5nF macht dann 32 Impulse und wird danach über die Diode ausgeschaltet - bis zum nächsten Schaltsperrenimpuls. Gemessen und gerechnet nach Datenblatt komme ich auf ca. 4 ms am Ausgang des 4060. Das reicht NIEMALS, um den 1 uF Kondensator links auf über 2,5 V zu laden, damit die nachfolgende Comparatormimik zum laufen kommt um die Stellmotorvorgabe zu beeinflussen.

    Kann mir jemand mal die Sperrfunktion vom Kfz erklären?

  • sieschonwieder
    womobox-Halbgott
    Beiträge
    501
    Wohnort
    Ffm
    • 17. November 2022 um 14:12
    • #33

    Anlassersperre wenn nicht P oder N

    aus 1234D mit Drehzahl nicht in R

    aus 34D mit Drehzahl nicht in 1

    Aus P oder N in D oder R nur mit Bremsbetätigung

    Gruß Ralf

  • pseudopolis
    womobox-Halbgott
    Beiträge
    914
    Wohnort
    Dort, wo die Kutsche gerade steht
    Wohnkabine
    selbst gebaut
    • 17. November 2022 um 21:46
    • #34
    Zitat von Sebastian

    Gemessen und gerechnet nach Datenblatt komme ich auf ca. 4 ms am Ausgang des 4060. Das reicht NIEMALS, um den 1 uF Kondensator links auf über 2,5 V zu laden, damit die nachfolgende Comparatormimik zum laufen kommt um die Stellmotorvorgabe zu beeinflussen.

    Darauf würde ich mal nicht so viel augenmerk haben. Der hersteller hat sich schon was dabei gedacht und die schaltung funktioniert so, auch wenn es uns nicht sofort ins auge sticht, was der sinn dahinter ist.

    Womöglich reicht die änderung am positiven eingang des OP ja schon aus, um am ausgang die benötigte änderung zu haben. Es ist ein OP, und kein logik gatter. Hätte man wert auf definierte Hi und Lo signale gelegt, hätte man keinen OP an diese stelle gesetzt.

    Ansonsten ist die schaltung eigentlich recht übersichtlich. Vieles davon kann man auch mit dem labornetzgerät testen, ohne das auto angeschlossen zu haben. Zb ob die betriebsspannungen da sind der oszillator arbeitet, die logik-Ics auch die geforderte logik ausführen, die OPs am ausgang 0V haben, wenn man beide eingänge verbindet und ob die relais schalten.

    Bei der schaltstufenverriegelung ist die frage, was ist das genau? Ein wiederkehrender, oder ein einmaliger impuls? Hi oder Lo und der folgende transistor macht daraus jeweils einen einmaligen impuls für den reset? Man kann auch das signal einfach mal simulieren, indem man kollektor und emitter des transistors des eingangs von der schaltstufenverriegelung mit einer pinzette kurz kurzschliesst (bei einen kollektorwiderstand von 1k und spannung 5V ist das unkritisch). Dann muss die folgende stufe eine wechselspannung generieren, bzw müssen alle folgenden stufen darauf reagieren. Das sollte man schön messen können.

    Was ich nicht erkennen kann, ist ein positionsschalter, der die iststellung des stellmotors mit der sollstellung vergleicht, und den stellmotor stoppt. Braucht es aber eigentlich, und so ein schalter ist natürlich korrosionsverdächtig.

    Generell ist aber anfangs erfahrungsgemäss eher auf die einfachen dinge stürzen angesagt. Das spart meist viel zeit. Sehen ob die betriebsspanungen der relais, der logik und der OPs da sind, wäre für mich das allererste. Die darlington nachbildung und der 7805 wären für mich das verdächtgste.

    EDIT: ich sehe gerade, ausserhalb der schaltung muss noch etwas sein, das zur ansteuerung der FET dient, die den stellmotor vorwärts und rückwärts laufen lassen. An pin 3 und 4 des steckers.

    Michi

    4 Mal editiert, zuletzt von pseudopolis (17. November 2022 um 22:06)

  • Online
    holger4x4
    womobox-Guru
    Beiträge
    7.453
    Wohnort
    Bergisches Land
    • 17. November 2022 um 22:44
    • #35

    Da ist ja noch die Brückenschaltung mit den FETs. Wenn es im Fahrzeug die Sicherung raushaut, wäre das Konstrukt auch verdächtig. Vielleicht hat einer der FETs den Geist aufgegeben.

    Oder der Fehler leigt außerhalb des Moduls, Masseschluss einer Leitung z.B.

    Gruß, Holger

  • Sebastian
    womobox-Halbgott
    Beiträge
    273
    Wohnort
    Itzehoe
    Wohnkabine
    selbst gebaut
    • 18. November 2022 um 08:27
    • #36

    Moin,

    Ralf ( sieschonwieder) hat mich auf die Idee gebracht, Wechselspannung an die Schaltstufenverriegelung zu legen, und siehe da, die Komparatoren schalten bei 50, 6.000 und 13.000 Impulsen pro Minute. Da wird wohl eine Ableitung der Motordrehzahl sein. Damit ist die Schaltung vollständig funktonsfähg.

    Mit Flipz0_0 bin ich übereingekommen, den Stellmotor noch zu untersuchen. Dieser hat bei Defekt die Möglichkeit, die Endstufe in der Elektronik so anzusteuern, dass alle Transistoren eingeschaltet sind und einen Kurzschluss produzieren. Dann kann noch der Motor einen Wicklungsschluss haben oder, was ich nicht prüfen kann, mechanisch irgendwie blockiert ist.

    Langsam kommen wir der Sache näher, und vielleicht kann auch der Threadersteller @balkgdslfn davon profitieren.

  • Sebastian
    womobox-Halbgott
    Beiträge
    273
    Wohnort
    Itzehoe
    Wohnkabine
    selbst gebaut
    • 24. November 2022 um 15:41
    • #37

    So, nun habe ich den Stellmotor inspiziert und mit Hilfe der Steckerbelgung mit der Steuerung verbunden.

    Der Stellmotor hat eine Reihe von Kontakten, an denen zwei Bleche vorbeifahren, die mit der Motorendstufe verbunden sind.

    Wenn nun eine Vorgabe, zum Beispiel Gang 4 kommt, fährt der Motor entweder vorwärts oder Rückwärts, bis der Spalt zwischen den beiden Blechen über dem entsprechenden Kontkt liegt.

    Auch wenn ich den Motor mit der Hand gebremst habe, kamen immer Überschwinger, also einig vorwärts/rückwärts Bewegungen, bevor der Motor Ruhe gegeben hat:

    Lila Motorstrom, gelb und blau die Steuersignale für die Endstufe, rot die Summe dieser beiden Spannungen

    Ein paar mal habe ich es mit wildem Tastendrücken geschafft, kurzzeitig beide Motoransteuerungen gleichzeitig auf 12 V zu bringen, was ein Kurzschluss bedeutet. Die Zeit war jedoch unter 1 ms, so dass hier noch keine Sicherung auslösen sollte.

    Zu Anfang sprang der Motor öfter hin und her, wenn man an den Tasten gewackelt hat. Bevor ich das dokumentieren konnte, ist es deutlich besser geworden!

    Der Kurzschluss muss also ausserhalb von Elektronik und Stellmotor liegen, da bleibt noch ein Magnetventil, der Drehzahlsensor und der Kabelbaum.

    Oder die Gangwahl ist mechanisch blockiert/schwergängig. Welche Sicherungsstärke ist denn hier verbaut?

    Ein Drehzahlsignal an der Steuerung kann die Gangwahl blockiern, damit wären wir bei den Anfangsproblemen von @balkgdslfn und Flipz0_0 (vor dem Kurzschlussproblem).

  • pseudopolis
    womobox-Halbgott
    Beiträge
    914
    Wohnort
    Dort, wo die Kutsche gerade steht
    Wohnkabine
    selbst gebaut
    • 24. November 2022 um 19:49
    • #38

    Dachte ich mir doch, dass es einen logikschalter am motor geben muss. Ich hab ja früher viele videorecorder repariert, da gabs auch immer einen positionsschalter, der der elektronik meldet, wenn der sollzustand erreicht ist. Wenn diese schalter marode waren, kams genau zu sochen phänomenen: motoren die wild hin und her fahren, dass es wie schwingungen wirkt, bis hin zur totalverweigerung. Oder der istzustand wird gar nicht erst gemeldet, der motor nicht gestoppt, überdreht die mechanik und verhängt sich. Das könnte in unsrem fall das zb sicherungsfliegen erklären.

    Ausserdem, wie oben schon mal bemerkt, werden anscheinend die FETs die den motor ansteuern, von aussen gesteuert, pin 3 + 4 des hauptsteckers. Könnte durchaus von besagtem schalter kommen. Würden die FETs falsch angesteuert, vorlauf und rücklauf gleichzeitig, dann würde natürlich auch die sicherung fliegen. Wie wäre es mal etwas ballistol in der schalter zu sprühen und den motor den schalter bewegen lassen, dass sich eventuelles oxid lösen kann, und sich eine schutzschicht bildet?

    In fast 40 jahren elektronikreparatur habe ich gelernt, meist sind es anfällige bauteile, wo viel strom fliesst oder umwelteinflüsse eine rolle spielen, die die probleme verursachen. Beim auto erst recht, es ist ja ein ding, das dauernd draussen in regen und dreck rumsteht und -fährt.

    Michi

  • Sebastian
    womobox-Halbgott
    Beiträge
    273
    Wohnort
    Itzehoe
    Wohnkabine
    selbst gebaut
    • 25. November 2022 um 10:45
    • #39

    Moin,

    an den Schalter im Motor würde ich nichts kippen, der ist in Ordnung. Auffällig war das Tastenfeld, wenn es da Zappler gab, wurden während der Fahrt schnell wechselnde Sollzustände an den Motor gesendet, und das führte zu kleinen Kurzschlüssen. ICH kippe kein Ballistol in die Drucktasten. Im Moment läuft das stabil und als Nächstes lässt Flipz0_0 den Kabelbaum weiter untersuchen. Die Steuerung und der Motor gehen jetzt kräftig durchgetastet/testet zurück.

    Beste Grüsse

    Sebastian

  • sieschonwieder
    womobox-Halbgott
    Beiträge
    501
    Wohnort
    Ffm
    • 25. November 2022 um 12:03
    • #40

    Es könnte auch der Schaltschieber im Getriebe schwergängig sein.

    Gruß Ralf

Jetzt mitmachen!

Mit einem Benutzerkonto kannst du das womobox Forum noch besser nutzen.
Als registriertes Mitglied kannst du:
- Themen abonnieren und auf dem Laufenden bleiben
- Dich mit anderen Mitgliedern direkt austauschen
- Eigene Beiträge und Themen erstellen

Benutzerkonto erstellen Anmelden

Spenden-Ziel

Jährlich (2026)

31,5 %

31,5% (157,50 von 500 EUR)

Jetzt spenden

Tags

  • kögel
  • Platine
  • Steuerplatine
  • Reparatur

Benutzer online in diesem Thema

  • 3 Besucher
  1. Nutzungsbedingungen
  2. Datenschutzerklärung
  3. Impressum
Gefällt es dir hier? Dann bitte jetzt :)
Community-Software: WoltLab Suite™