1. Portal
  2. Forum
    1. Forenübersicht
    2. FAQ - Fragen rund ums Forum
  3. Camper
    1. Bautagebücher
    2. Camper Galerie
    3. Wissensbasis
  4. Treffen
    1. Anstehende Treffen
    2. Impressionen vergangener Treffen
  5. Reisen
    1. Reiseziele
    2. Reiseberichte
    3. Urlaubsfotos
  • Anmelden
  • Registrieren
  • Suche
Dieses Thema
  • Alles
  • Dieses Thema
  • Dieses Forum
  • Artikel
  • Seiten
  • Forum
  • Termine
  • Galerie
  • POIs
  • Blog-Artikel
  • Erweiterte Suche
  1. womobox & Leerkabinen-Forum
  2. Forum
  3. Camping-Fahrzeuge
  4. Vorstellung: Sieh mal einer an!

Dexter 4x4

  • Myk
  • 28. Februar 2016 um 22:18
  • Myk
    womobox-Spezialist
    Beiträge
    414
    • 19. Mai 2016 um 22:21
    • #161

    Die letzten drei Tage habe ich mit dem Bau meiner Elektroverteilung auf drei Ebenen zu gebracht.


    Die oberen beiden Ebene kann ich hochklappen, so bekomme ich Zugriff nach unten.

    Hier findet Ihr den Baubericht in Bildern.
    https://dexter4x4.wordpress.com/2016/05/19/48-elektroverteiler/

    Regards,
    Myk

    Bilder

    • 2016-05-19_221751.jpg
      • 115,82 kB
      • 1.372 × 799
  • Online
    holger4x4
    womobox-Guru
    Beiträge
    7.433
    Wohnort
    Bergisches Land
    • 19. Mai 2016 um 22:25
    • #162

    Na da sieht man, das hat einer gelernt :!:

    Gruß, Holger

  • Leerkabinen-Wolfgang
    Administrator
    Beiträge
    6.080
    Wohnort
    Rheinhessen, Bodenheim
    Wohnkabine
    Sonstiges
    • 20. Mai 2016 um 11:38
    • #163

    Uiii, ich hoffe, das mit dem Klappen funktioniert auch noch, wenn die Kabel drin sind. Sieht ja so aus, als würdest Du schrecklich viele Kabel verbauen...

    Weiter viel Erfolg und gutes Werkeln
    Leerkabinen-Wolfgang

    die nächsten Festivitäten in http://www.Bodenheim.de:

    01.-03.05.2026: 25. Leerkabinen-Treffen

    erstes Juni-WE (05.-08.06.2026): Weinfest - Stellplatz nicht nutzbar

    vierter Sept.-Samstag (26.09.2026): Weinprobe in den Weinbergen


    Stellplatz von Nov. bis Frühjahr 2026 wg. Umbau geschlossen! Bei Fragen eMail/PN an mich

  • Myk
    womobox-Spezialist
    Beiträge
    414
    • 20. Mai 2016 um 12:15
    • #164
    Zitat von Leerkabinen-Wolfgang

    Uiii, ich hoffe, das mit dem Klappen funktioniert auch noch, wenn die Kabel drin sind. Sieht ja so aus, als würdest Du schrecklich viele Kabel verbauen...

    Weiter viel Erfolg und gutes Werkeln
    Leerkabinen-Wolfgang

    Guter Punkt, wenn ich keinen Denkfehler gemacht habe sollte es auch mit Kabeln funktionieren. Ich werde sehen und berichten ;)

    Myk


    Gesendet von meinem iPad mit Tapatalk HD

  • Myk
    womobox-Spezialist
    Beiträge
    414
    • 29. Mai 2016 um 21:51
    • #165

    Ich hatte vor einiger Zeit von meinen selbst gebauten Schalterlelementen berichtet. Das erste ist nun verbaut.
    Das Element sitz direkt neben der Türe und schaltet Stufe, Aussenlicht und ein Innenlicht.

    Ich finde, es passt prima zur Holzoptik der Möbel, richtig schick ...

    Regards,
    Myk

    Bilder

    • 2016-05-29_214720.jpg
      • 50,6 kB
      • 735 × 748
  • campo
    womobox-Guru
    Beiträge
    1.026
    Wohnort
    Belgien
    • 30. Mai 2016 um 07:08
    • #166

    Hallo Myk !
    Ja richtig schick. Ich weiß wie schwierig es ist um alles schön zu zentrieren.
    Was ist dein Geheimnis ? Wie hast du die Löcher gemacht und hast du selbst weiß lackiert oder ist diese unterlegplatte ein Kauf Teil.
    Grüße Campo

    PS In Bad Kissingen bist du nicht vorbeigekommen. Dafür habe ich Restler, Kuhtreiber und vor allem Sasisust kennen gelernt !
    Auch auf der Stand von Bi-Mobil habe ich wieder ein paar tolle Details angeschaut, wie auch ein paar auf der Campground unten.


    Jetzt Iveco Daily 4x4 7T, vorher TGM 13290 4x4

  • Myk
    womobox-Spezialist
    Beiträge
    414
    • 30. Mai 2016 um 22:25
    • #167
    Zitat von campo

    Hallo Myk !
    Ja richtig schick. Ich weiß wie schwierig es ist um alles schön zu zentrieren.
    Was ist dein Geheimnis ? Wie hast du die Löcher gemacht und hast du selbst weiß lackiert oder ist diese unterlegplatte ein Kauf Teil.
    Grüße Campo

    PS In Bad Kissingen bist du nicht vorbeigekommen. Dafür habe ich Restler, Kuhtreiber und vor allem Sasisust kennen gelernt !
    Auch auf der Stand von Bi-Mobil habe ich wieder ein paar tolle Details angeschaut, wie auch ein paar auf der Campground unten.

    Hallo Campo,

    leider war dieses Jahr weder Bad Kissingen noch Bodenheim möglich. Ich möchte aber sehr gerne nächstes Jahr kommen um Dich und die anderen persönlich kennenzulernen.

    Die Schaltelemente sind komplett selbst gebaut. Die Grundplatte besteht aus einer weissen PVC-Platte (Zuschnitt aus einer größeren Platte). Sie ist am Rand angeschrägt. Die Löcher sind einfach gebohrt, wobei man da wirklich schon Ungenauigkeiten von einem halben Millimeter sehen kann. Also viel Zeit und Ruhe mitbringen, dann kann klappt das :D

    Regards,
    Myk

  • Myk
    womobox-Spezialist
    Beiträge
    414
    • 12. Juli 2016 um 22:04
    • #168

    Hallo,

    nachdem ich nun schon 20 Tage an Dexter gebaut habe, gibt es Fortschritt zu vermelden. Seht selbst ....
    https://dexter4x4.wordpress.com/2016/03/10/aktuell/

    Freue mich wie immer auf Euer kritisches Feedback.

    Regards,
    Myk

  • Leerkabinen-Wolfgang
    Administrator
    Beiträge
    6.080
    Wohnort
    Rheinhessen, Bodenheim
    Wohnkabine
    Sonstiges
    • 13. Juli 2016 um 09:17
    • #169

    ... au weia, was kommt da noch auf mich zu! Aber wieder eine extrem ordentliche Arbeit!

    Weiter so!
    Leerkabinen-Wolfgang

    die nächsten Festivitäten in http://www.Bodenheim.de:

    01.-03.05.2026: 25. Leerkabinen-Treffen

    erstes Juni-WE (05.-08.06.2026): Weinfest - Stellplatz nicht nutzbar

    vierter Sept.-Samstag (26.09.2026): Weinprobe in den Weinbergen


    Stellplatz von Nov. bis Frühjahr 2026 wg. Umbau geschlossen! Bei Fragen eMail/PN an mich

  • Harty
    Junior
    Beiträge
    71
    Wohnort
    Braunschweig
    • 13. Juli 2016 um 21:42
    • #170

    Hallo Myk,

    Respekt, sehr sehr ordentlich.
    Viel Spaß noch bei der Fertigstellung.

    Gruß, Harty

  • Myk
    womobox-Spezialist
    Beiträge
    414
    • 18. Juli 2016 um 22:41
    • #171

    @ Wolfgang und Harty,

    vielen Dank, ich glaube das ist so nicht ganz uneben. Ich mag halt keine halben Sachen, wobei der Zeitaufwand bei gründlicher Arbeit echt enorm ist. Habe am Wochenende die Elektroverteiler wieder eingebaut und ein bisserl verkabelt. Bin nicht ganz fertig und habe trotzdem zwei ganze Tage dafür gebraucht.....

    Aber Erfolg: Nun ist Strom auf der Kiste, die Trittstufe und das Ladegerät funktionieren schon :)

    Regards,
    Myk

  • Myk
    womobox-Spezialist
    Beiträge
    414
    • 23. Juli 2016 um 22:32
    • #172

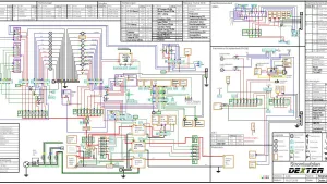
    Heute einen großen Schritt weiter gekommen. :P Die Elektroverteilung ist nun endlich fertig intern verdrahtet, es fehlen nur noch ein paar Beschriftungen. Morgen kann ich dann die Möbelverkleidung wieder einbauen.


    Mehr Details wie immer hier im Blog: https://dexter4x4.wordpress.com/2016/05/19/48-elektroverteiler/

    Regards,
    Myk

    Bilder

    • Dexter Electric distribution.jpg
      • 219,21 kB
      • 1.316 × 688
    • MYK_RX1_01415.jpg
      • 193,57 kB
      • 2.048 × 1.365
    • MYK_RX1_01413.jpg
      • 170,36 kB
      • 2.048 × 1.365
    • MYK_RX1_01406.jpg
      • 183,16 kB
      • 2.048 × 1.365
  • Leerkabinen-Wolfgang
    Administrator
    Beiträge
    6.080
    Wohnort
    Rheinhessen, Bodenheim
    Wohnkabine
    Sonstiges
    • 25. Juli 2016 um 12:41
    • #173

    Wahnsinn, wie kann man nur so viel Elektrik in so einem überschaubaren Schneckenhaus unter bringen?
    Aber so ordentlich, das gibt's wohl sonst eher selten. Zumindest bei den Serienfahrzeugen!

    Viele Grüße
    Leerkabinen-Wolfgang

    die nächsten Festivitäten in http://www.Bodenheim.de:

    01.-03.05.2026: 25. Leerkabinen-Treffen

    erstes Juni-WE (05.-08.06.2026): Weinfest - Stellplatz nicht nutzbar

    vierter Sept.-Samstag (26.09.2026): Weinprobe in den Weinbergen


    Stellplatz von Nov. bis Frühjahr 2026 wg. Umbau geschlossen! Bei Fragen eMail/PN an mich

  • wiru
    womobox-Guru
    Beiträge
    1.131
    Wohnort
    Treuchtlingen
    • 25. Juli 2016 um 17:16
    • #174

    war auch mein erster Gedanke: sieht aus wie in der Lehrwerkstatt...;-))
    Für uns Leichtbauer ist das aber nix, das bringt zwar Ordnung und Sauberkeit, aber bestimmt gute 50kg zusätzliches Gewicht...
    Aber freu mich schon auf die Führung und melde mich schon mal vorab an...;-)

    unser Womo: Sprinter 4x4 mit Ormocar-Kabine
    Ausbau-und Reiseblog: http://www.caribou.wirblogger.de

  • Myk
    womobox-Spezialist
    Beiträge
    414
    • 26. Juli 2016 um 19:47
    • #175
    Zitat von wiru

    war auch mein erster Gedanke: sieht aus wie in der Lehrwerkstatt...;-))
    Für uns Leichtbauer ist das aber nix, das bringt zwar Ordnung und Sauberkeit, aber bestimmt gute 50kg zusätzliches Gewicht...
    Aber freu mich schon auf die Führung und melde mich schon mal vorab an...;-)

    :mrgreen: Als bekennender Leidensgenosse der Selbsthilfegruppe " Böses G*** " habe ich natürlich sorgsamst auf Leichtbau geachtet. Die Waage wird später zeigen, ob ich erfolgreich war.
    Ansonsten bist Du natürlich bei der Besichtigung in der ersten Gruppe. Hast es ja nicht weit, wenn wir zusammen in der Sprinter-Ecke stehen.

    Regards,
    Myk

  • bl550
    womobox-Spezialist
    Beiträge
    203
    Wohnkabine
    Ormocar
    • 26. Juli 2016 um 23:08
    • #176

    Einfach nur genial. Super. Diesen Ausbau würde ich auch gerne mal in Natura besichtigen. :)

    Grüße

    Sascha

    MB Sprinter 519 CDI mit Ormocar-GFK-Kabine (Verkauft)

    Ford Ranger ExtraCab mit Ormocar

  • Anton
    womobox-Guru
    Beiträge
    2.742
    Wohnort
    Am Fuß der Homert
    • 27. Juli 2016 um 09:55
    • #177

    Hallo


    das sieht ja wirklich gut aus mit der Elektroverteilung! :D

    Zeigt aber auch, wie unterschiedlich die Prioritäten beim Bau von Wohnmobilen sind. :wink:

    Aber auch von mir: herzlichen Glückwunsch zur gelungenen Arbeit! 8)


    VG

    Anton

    Wir brauchen dringend ein paar Verrückte - seht euch doch mal um, wo uns die Vernüftigen hingebracht haben!

  • wiru
    womobox-Guru
    Beiträge
    1.131
    Wohnort
    Treuchtlingen
    • 27. Juli 2016 um 17:15
    • #178

    Sascha steht ja auch auf der Sprinter-Wiese...[WINKING FACE]

    Gruß, Willi

    unser Womo: Sprinter 4x4 mit Ormocar-Kabine
    Ausbau-und Reiseblog: http://www.caribou.wirblogger.de

  • Myk
    womobox-Spezialist
    Beiträge
    414
    • 17. August 2016 um 13:09
    • #179

    Hallo,

    nach der Elektroorgie der letzten Wochen konnte ich mich endlich wieder mit dem Möbelbau beschäftigen. Macht mir deutlich mehr Spaß.
    Zuletzt habe ich den Rohbau des Oberschrankes für den Einbau der Bedienelemente erstellt.

    Mehr wie immer im Blog unter https://dexter4x4.wordpress.com/2016/03/10/aktuell/

    Regals,
    Myk


    Gesendet von iPad mit Tapatalk

    Einmal editiert, zuletzt von Myk (17. August 2016 um 15:17)

  • Leerkabinen-Wolfgang
    Administrator
    Beiträge
    6.080
    Wohnort
    Rheinhessen, Bodenheim
    Wohnkabine
    Sonstiges
    • 17. August 2016 um 14:46
    • #180

    Hi Myk,

    so langsam wirst Du mir unheimlich! Nicht nur eine perfekte Elektroinstallation, sondern auch im Möbelbau bist Du genauso perfekt??? Und dazu geht's bei Dir schneller voran als bei mir, der ich mir die Kabine aus Mangel an Zeit- und Handwerkskunst bauen lasse!

    Mach weiter so - und laß' Dich im Mai auf dem Leerkabinen-Treffen sehen!
    Leerkabinen-Wolfgang

    die nächsten Festivitäten in http://www.Bodenheim.de:

    01.-03.05.2026: 25. Leerkabinen-Treffen

    erstes Juni-WE (05.-08.06.2026): Weinfest - Stellplatz nicht nutzbar

    vierter Sept.-Samstag (26.09.2026): Weinprobe in den Weinbergen


    Stellplatz von Nov. bis Frühjahr 2026 wg. Umbau geschlossen! Bei Fragen eMail/PN an mich

Jetzt mitmachen!

Mit einem Benutzerkonto kannst du das womobox Forum noch besser nutzen.
Als registriertes Mitglied kannst du:
- Themen abonnieren und auf dem Laufenden bleiben
- Dich mit anderen Mitgliedern direkt austauschen
- Eigene Beiträge und Themen erstellen

Benutzerkonto erstellen Anmelden

Spenden-Ziel

Jährlich (2026)

31,5 %

31,5% (157,50 von 500 EUR)

Jetzt spenden

Benutzer online in diesem Thema

  • 4 Besucher
  1. Nutzungsbedingungen
  2. Datenschutzerklärung
  3. Impressum
Gefällt es dir hier? Dann bitte jetzt :)
Community-Software: WoltLab Suite™