1. Portal
  2. Forum
    1. Forenübersicht
    2. FAQ - Fragen rund ums Forum
  3. Camper
    1. Bautagebücher
    2. Camper Galerie
    3. Wissensbasis
  4. Treffen
    1. Anstehende Treffen
    2. Impressionen vergangener Treffen
  5. Reisen
    1. Reiseziele
    2. Reiseberichte
    3. Urlaubsfotos
  • Anmelden
  • Registrieren
  • Suche
Dieses Thema
  • Alles
  • Dieses Thema
  • Dieses Forum
  • Artikel
  • Seiten
  • Forum
  • Termine
  • Galerie
  • POIs
  • Blog-Artikel
  • Erweiterte Suche
  1. womobox & Leerkabinen-Forum
  2. Forum
  3. Ausbau: Installation und Technik
  4. Strom: Batterie, Laden, Solar und Elektrik

HWK Ladeprinzip ? WoMo Batt laden über Spannungswandler

  • 2vgsrainer
  • 18. Dezember 2006 um 22:34
  • 2vgsrainer
    womobox-Guru
    Beiträge
    1.140
    Wohnort
    Bensheim
    • 18. Dezember 2006 um 22:34
    • #1

    Hallo
    Ich weiss dass das Thema alles andere als neu ist und ich hab mich hier auch quer durchs Forum gelesen auf der Suche nach einem Prinzip Schaltplan für dieses Ladekonzept ich nenne es mal "HWK Ladeprinzip", aber letztendlich habe ich nix gefunden. Da ich nun nicht unbedingt zu Profis in Sachen Strom gehöre bin ich aus den einzelnen Textbeiträgen nicht so 100% schlau geworden, deshalb hab ich nun mal einen prinzipiellen Schaltplan gemacht, so wie ich mir dieses Laderverfahren vorstelle.

    Fragen:

    Ist das Schaltprinzip so richtig ?
    Ist die Dimensionierung des Spannungswandlers ausreichend ?

    Wie oder ist es möglich den Spannungswandler, nicht nur für das ladegerät zu nutzen, sondern auch für das 220V Bordnetz der Kabine wenn sie nicht an 220V hängt und der Spannungswandler nicht von der Lima versorgt wird ?

    was haltet ihr von dem Wechselrichter der Fa. Fraron ?

    http://www.fraron.de/

    Hat jemand Erfahrung mit den Geräten ?

    Bilder

    • Schaltbild 12V Anlage.JPG
      • 82,63 kB
      • 1.754 × 1.240

    Dateien

    FraRon electronic liefert Spannungswandler, Wechselrichter, S...pdf 159,28 kB – 141 Downloads

    Gruß
    Rainer

    Wer Rechtschreibefehler findet darf sie behalten !
    Robel 4x4 650HLB individual-> Status: aktuell !
    T5 4motion mit Ormocar-Absetzkabine -> Status : verkauft !
    https://4x4-traveltime.de

    Einmal editiert, zuletzt von 2vgsrainer (19. Dezember 2006 um 07:51)

  • Krabbe
    womobox-Guru
    Beiträge
    3.019
    Wohnort
    Wetteraukreis (Hessen)
    • 18. Dezember 2006 um 23:35
    • #2

    Hi Rainer,

    schau mal hier.
    Hier findest Du auch einen Schaltplan von hwk.

    Viele Grüße
    Krabbe
    (Sachkundiger für Campinggasanlagen)

  • 2vgsrainer
    womobox-Guru
    Beiträge
    1.140
    Wohnort
    Bensheim
    • 19. Dezember 2006 um 07:58
    • #3

    Hallo Krabbe

    Wie immer 1000 Dank für die prompte Bedienung :lol:
    Jetzt weiss ich auch warum ich den Beitrag nicht gefunden habe, ich hab immer über "Wechselrichter" oder "Inverter" gesucht. Auf Spannungwandler bin ich nicht gekommen :cry:

    Was meinst du zu dem Spannungswandler von Fraron ?

    Vom Preis her ist das Gerät ja sehr attraktiv !
    Ein vergleichbarer von Alessi kostet gut 250 ,- Euro mehr :cry:

    Gruß
    Rainer

    Wer Rechtschreibefehler findet darf sie behalten !
    Robel 4x4 650HLB individual-> Status: aktuell !
    T5 4motion mit Ormocar-Absetzkabine -> Status : verkauft !
    https://4x4-traveltime.de

  • hwk
    womobox-Guru
    Beiträge
    2.113
    Wohnort
    Wuppertal
    • 19. Dezember 2006 um 08:35
    • #4

    Hallo zusammen,

    ein Freund von mir hat den Fraron Wandler in Verbindung mit einem Mobitronic Lader. Es funktioniert hier einwandfrei. Der Fraron Wandler gibt zwar nur einen sinusähnlichen Strom ab (modifiziertes Trapez), der Mobitronic Lader kommt aber damit gut zurecht. Da diese Kobmination nun schon 1,5 Jahre im Einsatz ist, sollten auch "Spätschäden" eigentlich ausgeschlossen sein.

    Besten Gruß

    HWK

  • Krabbe
    womobox-Guru
    Beiträge
    3.019
    Wohnort
    Wetteraukreis (Hessen)
    • 19. Dezember 2006 um 09:04
    • #5

    Hi Rainer,

    da nicht für. Da der Threat ja von mir gestartet war war das eine meiner leichtesten Übungen den zu finden.

    Zu dem Fraron-Wandler kann ich nichts sagen, aber da hat hwk ja schon was zu geschrieben.

    Viele Grüße
    Krabbe
    (Sachkundiger für Campinggasanlagen)

  • 2vgsrainer
    womobox-Guru
    Beiträge
    1.140
    Wohnort
    Bensheim
    • 19. Dezember 2006 um 18:57
    • #6

    Hallo

    Also man glaubt es kaum, aber die Schaltung habe ich tatsächlich kapiert :wink:

    Hab aber noch Fragen:

    Ich habe immer wieder was von schädlichen Spannungsspitzen für den Wechselrichter gelesen wenn dieser direkt und sofort beim starten des Motors über das Trennrelais aktiviert wird. Wie sieht es damit aus ?

    Wäre es nicht sinnvoller eine gewisse zeitliche Verzögerung für das Zuschalten des WR irgenwie einzubauen ?
    Wenn ja, wie könnte man das machen?

    Könnt ihr mir irgendwie Hilfestellung speziell zu den beiden Hilfsrelais und dem Netzumschalter geben ?
    Gibt es sowas fertig zu kaufen oder muß man sich das aus einzelnen Bauteilen selbst stricken ?

    Was meint ihr zur Leistung des WR ( 600W Dauerl.)?
    Der versorgt ja hauptsächlich das Ladegerät mit einer max. Leistung von 320 W. Ansonsten wird er noch 2-3 Steckdosen für eventuelle Kleinverbraucher (Handy, Gameboy, Schlaptop etc.) mit 220 V versorgen.
    Küklschrank läuft über 12V, klima haben wir nicht, Heizung (Truma) 12 V,Licht 12V, Pumpe 12V.
    Müsste doch reichen oder ?

    Gruß
    Rainer

    Wer Rechtschreibefehler findet darf sie behalten !
    Robel 4x4 650HLB individual-> Status: aktuell !
    T5 4motion mit Ormocar-Absetzkabine -> Status : verkauft !
    https://4x4-traveltime.de

  • Krabbe
    womobox-Guru
    Beiträge
    3.019
    Wohnort
    Wetteraukreis (Hessen)
    • 19. Dezember 2006 um 21:45
    • #7

    Eine Netzumschaltung bekommst Du auch fertig unter der Bezeichnung Vorrangschaltung. Mußt mal googeln. Ich kann Dir da gerade aus dem Kopf auch keine Bezugsquelle nennen.

    Viele Grüße
    Krabbe
    (Sachkundiger für Campinggasanlagen)

  • 2vgsrainer
    womobox-Guru
    Beiträge
    1.140
    Wohnort
    Bensheim
    • 21. Dezember 2006 um 20:38
    • #8

    @ Hallo HWK: Wenn ich das richtig sehe, hat das Wechselrelais für die 12V Versorgung des Wechselrichters bei Batterieversorgung eine Schaltleistung von ca. 100A !
    Richtig ?

    Wo bekommt man so ein 12V Relais bzw. welcher Typ ist das ?

    Die 12V Wechselrelais (1Ö/1S) die ich bisher gefunden habe, haben alle eine Schaltleistung von max. 40 A !

    Ich möchte das Trennrelais mit einer zeitlichen Verzögerung ansteuern.
    Wie könnte man das realisieren ?
    Kannst du mir hier Hilfestellung geben ?

    Gruß
    Rainer

    Wer Rechtschreibefehler findet darf sie behalten !
    Robel 4x4 650HLB individual-> Status: aktuell !
    T5 4motion mit Ormocar-Absetzkabine -> Status : verkauft !
    https://4x4-traveltime.de

  • hwk
    womobox-Guru
    Beiträge
    2.113
    Wohnort
    Wuppertal
    • 24. Dezember 2006 um 12:11
    • #9

    Hallo Rainer,

    das Trennrelais hat ca. 100A Schaltleistung und ist ein Relais von Bosch. Die gibt es fertig konfektioniert mit Trenndiode etc im Fahrzeugfachhandel.

    Eine Einschaltverzögerung kann man sicherlich bauen. Ein einfaches RC-Gleid mit Komparator und nachfolgendem Schaltverstärker ist hier möglich - aber aus meiner Sicht überflüssig. Ich habe bei mir das Bordnetz über den oscar angesehen und die Spannungsspitzen treten eigentlich nur bei laufendem Anlasser auf. Aber da lädt die LIMA noch nicht und das Relais zieht noch nicht an. Die LIMA gibt eigentlich erst Strom, wenn der Motor mindestens Leerlaufdrehzahl hat. Dann esrt geht die Ladekontrollleuchte aus und das Relais zieht an. Auch werden die Spannungsspitzen ja durch die Akkus geglättet.

    Kurzum: bisher gab es keine Probleme.

    Besten Gruß
    HWK

  • 2vgsrainer
    womobox-Guru
    Beiträge
    1.140
    Wohnort
    Bensheim
    • 25. Dezember 2006 um 18:51
    • #10
    Zitat von hwk


    Kurzum: bisher gab es keine Probleme.
    HWK

    Hallo HWK

    Danke für die Antwort !!
    Also das mit den Stromspitzen scheint ja dann nicht relevant zu sein und von daher werd ich wohl so eine Einschaltverzögerung auch nicht vorsehen.

    Zitat von hwk


    das Trennrelais hat ca. 100A Schaltleistung und ist ein Relais von Bosch. Die gibt es fertig konfektioniert mit Trenndiode etc im Fahrzeugfachhandel.
    HWK

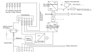
    Hier hab ich ein Problem.
    Meiner Meinung nach ist dass doch kein normales Trennrelais sondern ein Wechselrelais?

    Damit wir nichT an einander vorbei reden, hab ich mal das Relais in der Schaltung gekennzeichnet, dass ich meine.

    Könntest du mir hier mal den Typ nennen ?

    Bilder

    • Anmerkung_HWK stromlaufpla.jpg
      • 184,86 kB
      • 924 × 656

    Gruß
    Rainer

    Wer Rechtschreibefehler findet darf sie behalten !
    Robel 4x4 650HLB individual-> Status: aktuell !
    T5 4motion mit Ormocar-Absetzkabine -> Status : verkauft !
    https://4x4-traveltime.de

  • hwk
    womobox-Guru
    Beiträge
    2.113
    Wohnort
    Wuppertal
    • 25. Dezember 2006 um 20:45
    • #11

    Hallo Rainer,

    da haben wir in der ersten Antwort aneinander vorbeigeredet. Das gekennzeichnete Relais ist ein Wechsler mit einer Belastbarkeit von 100 A als Strom. Es ist nicht unbedingt erforderlich, da es nur als "Komfort" dient. Hier kann dann im Stand auf 220 V umgeschaltet werden. Entsprechende Wechsler sind im Fahrzeugbereich zum Beispiel zumm Anstuern von Pumpen oder Winden zu haben. Es sollte aber auch die 70 A Type reichen, da die Umschaltung im Allgemeinen nicht bei voller Last erfolgt, da die Wandler mit einem Softstart ausgerüstet sind n somit im ersten Moment nicht die volle Leistung ziehen.

    Besten Gruß

    HWK

  • 2vgsrainer
    womobox-Guru
    Beiträge
    1.140
    Wohnort
    Bensheim
    • 29. Dezember 2006 um 19:53
    • #12

    Hallo HWK

    kannst du mir für das Wechselerelais (12V / 70-100A) eine Bezugsquelle nennen und wenn es geht auch noch die Typenbezeichnung ?

    Ich such mir hier noch einen Wolf :wink:

    Gruß
    Rainer

    Wer Rechtschreibefehler findet darf sie behalten !
    Robel 4x4 650HLB individual-> Status: aktuell !
    T5 4motion mit Ormocar-Absetzkabine -> Status : verkauft !
    https://4x4-traveltime.de

  • Anonymous
    Gast
    • 31. Dezember 2006 um 12:10
    • #13

    Hallo
    Größere Relais bekommt man hier :
    http://www.kissling.de/german/start_d/start_d.html

    bei BMW gibt es auch Relais die locker 130 A vertragen, falls jemand soetwas sucht.

  • Online
    holger4x4
    womobox-Guru
    Beiträge
    7.381
    Wohnort
    Bergisches Land
    • 9. Oktober 2007 um 20:15
    • #14

    Hi,

    ich mache mir gerade über ein optimiertes Ladekonzept für die Absetzkabine Gedanken. Die aktuelle Lösung mit Trennrelais und in Summe über die AHK Steckdose fast 10m Leitung zur Wohnbatterie läßt keine großen Ladeströme zu.

    Es gibt also 2 Alternativen:
    1.Einen Spannungsbooster,z.B.von Waeco macht aus 11..16V immer schön 14,2V mit max 20A
    2. Die HWK Methode mit Spannungswandler und dann normales Ladegerät dahinter.

    zu 2.: Die doppelte Wandlung ist ja nun nicht so sehr effizient. bei mal angenommenen 80% Wirkungsgrad für beide Gerätebraucht man 31,25A Input für 20A Output. Nicht so toll, aber kann man vielleicht mit leben.

    Wie sind denn die Anforderungen an den 12->220V Wandler,wenn ein Schaltnetzeil als Lader nachgeschaltet ist? Reicht dann ein einfacher Trapezwandler,oder muß es schon ein Sinuswandler sein? Wer hat Erfahrung damit?

    Gruß, Holger

  • hwk
    womobox-Guru
    Beiträge
    2.113
    Wohnort
    Wuppertal
    • 9. Oktober 2007 um 22:57
    • #15

    Hallo Holger,

    das Prinzip habe ich bei mir so realisiert und es läuft bisher (drei Jahre) gut und ohne Ausfall. Als Wandl habe ich inen "modifizierten Sinus" (was ein Trapezwanle ist) in Kombination mit einem Mobotronic-Ladegerät. Diese Kombination läuft gut. Bei einigen andren Ladegräten, die über einen Trafo arbeiten, sollte man auf einen reinen Sinuswandler zurückgreifen.

    Besten Gruß


    HWK

  • ubu
    Junior
    Beiträge
    35
    Wohnort
    Offenbach
    • 10. Oktober 2007 um 23:38
    • #16

    Das "hwk-Prinzip" habe ich seit 2003 in Betrieb. 1000W-24V/230V-Rechteck-Wandler und anschließend ein 12V-40A-Votronic-Schaltnetzteil-Ladegerät. Funktioniert absolut störungsfrei, nur bei Vollast zirpt das Ladegerät etwas.

    Uli

  • Ronald
    womobox-Spezialist
    Beiträge
    357
    Wohnort
    Köln
    • 12. Oktober 2007 um 10:14
    • #17

    Hallo,
    als nicht-Elektriker verstehe ich nicht ganz wo der Vorteil mit dem Umweg ueber 220V liegt -> warum nicht direkt einen B2B Lader / Spannungsbooster benutzen :?:
    Ist das nur weil Spannungswandler und Ladegeraet schon vorhanden sind, oder gibt es andere technische Vorteile ???


    Zitat von holger4x4

    Hi,
    ich mache mir gerade über ein optimiertes Ladekonzept für die Absetzkabine Gedanken. Die aktuelle Lösung mit Trennrelais und in Summe über die AHK Steckdose fast 10m Leitung zur Wohnbatterie läßt keine großen Ladeströme zu.


    ...das sieht bei mir ganz aehnlich aus: Stromabnahme ueber AHK Stecker und dann noch ein paar Meter Kabel bis zur Versorgungsbatterie. Die kommt nie ueber 13V. Selbst meine 2.Batterie im T4 hat nach langer Fahrt nur 12,8V - ist doch auch nicht normal, oder ???

    Zitat von holger4x4

    Es gibt also 2 Alternativen:
    1.Einen Spannungsbooster,z.B.von Waeco macht aus 11..16V immer schön 14,2V mit max 20A
    2. Die HWK Methode mit Spannungswandler und dann normales Ladegerät dahinter.

    zu 2.: Die doppelte Wandlung ist ja nun nicht so sehr effizient. bei mal angenommenen 80% Wirkungsgrad für beide Gerätebraucht man 31,25A Input für 20A Output. Nicht so toll, aber kann man vielleicht mit leben.


    zu 2.: Sehe ich genauso, siehe Frage oben :wink:

    zu 1.: der Booster kann doch auch nur mit dem Strom laden der durch die Kabel geht, da nuetzt der groesste Booster nichts, oder :?::!::?:
    D.h. wenn Plus- sowie Masseleitung der AHK-Steckdose mit (i.d.R. max) 2,5mm2 Kabel angeschlossen sind, sollten da max ca. 15A abgenommen werden. Dann habe ich noch ca. 15% Wirkungsgradverlust im Booster, macht 12,75A.
    Nun mit ???: Wenn dann noch die Spannung um 10% von 13V auf 14,2V "geboostet" wird, sinkt der Strom doch auch um 10%, oder :?: Dann bleiben (nur) noch 11,5A fuer die Wohnraumbatterie ueber :cry:

    Ein 40A Booster nutzt mir dann garnichts - bzw haut der mir dann meine 20A Sicherung raus ???

    Sehe ich das als Elektro-Laie so richtig, oder stecken in meiner Denke Fehler drin ? :wink:

    Gruss Ronald

    Ps. das alles gilt natuerlich nur fuer die begrenzten original 1,5-2,5mm2 Kabelquerschnitte

  • hwk
    womobox-Guru
    Beiträge
    2.113
    Wohnort
    Wuppertal
    • 12. Oktober 2007 um 16:50
    • #18
    Zitat von Ronald

    Hallo,
    als nicht-Elektriker verstehe ich nicht ganz wo der Vorteil mit dem Umweg ueber 220V liegt -> warum nicht direkt einen B2B Lader / Spannungsbooster benutzen :?:
    Ist das nur weil Spannungswandler und Ladegeraet schon vorhanden sind, oder gibt es andere technische Vorteile ???

    Hallo zusammen,

    diese Konfiguration macht dann Sinn, wenn man z.B. den Wandler schon hat oder haben möchte, um auch autark die 220 V zu haben. EIn normales Ladegerät wird man sowieso einbauen, so dass man eigentlich alles schon hat oder haben will und dann nur entsprechend verkabeln muss. Es macht auch Sinn, wenn man von 24V im Fahrzeug und 12V im Aufbau ausgeht (so ist es bei mir). Hier war halt die Alternative 24v=>12V Ladewandler oder halt über die Variante 24V=> 220V und dann 12V. Da ist ein entsprechender Wandler 24V => 220 V billiger als ein Ladewandler mit etsprechender Belastbarkeit.

    Zur Frage der Versorgung über die AHK-Steckdose kann ich nur Recht geben. Diese Kontakte sind nicht für die Ladung einer Wohnraumbatterie ausgelegt. Hier ist - sofern man direkt lädt - eine entsprechende Leitung und auch Steckverbindung zu legen, damit der Spannungsabfall in Grenzen bleibt und man sich nicht die "Hütte abfackelt", da der Stecker auf ein mal Feuer und Flamme wird.

    Besten Gruß

    HWK

  • Online
    holger4x4
    womobox-Guru
    Beiträge
    7.381
    Wohnort
    Bergisches Land
    • 12. Oktober 2007 um 17:56
    • #19

    Das HWK Prinzip mach auch Sinn, wenn man einen guten Lader verwenden will z.B. mit Temperaturkompensation.
    Ein einfacher Booster macht nur eine konstante Spannung, was dann bei entsprechender Einstellung dazu führen kann, dass bei kaltem Wetter die Batterie nicht zu 100% voll geladen wird.

    Andersrum kann man eine Booster mit Regelung (eben als Ladegerät verwendet) zusammen mit einem simplen Schaltnetzteil aus der Industrietechnik als 220V Lader verwenden.
    Schade, dass es sowas heute noch nicht in einer Kiste gibt.

    Egal welchen Weg man geht, die 20A Ladestrom (mal als Ziel angenommen) müssen mit dem entsprechenden Verlustfaktor multipliziert irgendwie nach hinten geführt werden.
    Für die oben mal angenommenen 31,25A reicht natürlich kein 2,5mm² Kabel.
    Mann könnte bis zur Steckdose aber auch was dickeres verlegen.

    Hat jemand die Spezifikation der 13-pol Anhängersteckdose?

    Oder gibt es einen 2-pol alternativen Stecker, der mit ca.40A spezifiziert ist und automitve tauglich ist?

    Was die Kabelverluste angeht, wäre der pfiffigste Weg ja die 220V direkt im Motorraum zu erzeugen und eine 220V Leitung nach hinten zu legen. Als Stecker dann den schönen blauen CEE-Stecker nehmen und fertig ist die Laube. Ich befürche nur, dass die Jungs vom Tüv was dagegen haben die 220V durch die Gegend zu legen. :shock:

    Gruß, Holger

  • Ronald
    womobox-Spezialist
    Beiträge
    357
    Wohnort
    Köln
    • 12. Oktober 2007 um 18:06
    • #20

    Hallo und danke fuer Eure beiden Antworten.
    Da habe ich wieder was gelernt, denke fuer mich macht dann der B2B Lader mehr Sinn...mal sehen.
    Ausserdem hantiere ich lieber mit 12V als 220V :wink:

    Auf jeden Fall ist's jetzt klarer.
    Gruss Ronald

Jetzt mitmachen!

Mit einem Benutzerkonto kannst du das womobox Forum noch besser nutzen.
Als registriertes Mitglied kannst du:
- Themen abonnieren und auf dem Laufenden bleiben
- Dich mit anderen Mitgliedern direkt austauschen
- Eigene Beiträge und Themen erstellen

Benutzerkonto erstellen Anmelden

Spenden-Ziel

Jährlich (2026)

27,5 %

27,5% (137,50 von 500 EUR)

Jetzt spenden
  1. Nutzungsbedingungen
  2. Datenschutzerklärung
  3. Impressum
Gefällt es dir hier? Dann bitte jetzt :)
Community-Software: WoltLab Suite™