1. Portal
  2. Forum
    1. Forenübersicht
    2. FAQ - Fragen rund ums Forum
  3. Camper
    1. Bautagebücher
    2. Camper Galerie
    3. Wissensbasis
  4. Treffen
    1. Anstehende Treffen
    2. Impressionen vergangener Treffen
  5. Reisen
    1. Reiseziele
    2. Reiseberichte
    3. Urlaubsfotos
  • Anmelden
  • Registrieren
  • Suche
Dieses Thema
  • Alles
  • Dieses Thema
  • Dieses Forum
  • Artikel
  • Seiten
  • Forum
  • Termine
  • Galerie
  • POIs
  • Blog-Artikel
  • Erweiterte Suche
  1. womobox & Leerkabinen-Forum
  2. Forum
  3. Ausbau: Installation und Technik
  4. Strom: Batterie, Laden, Solar und Elektrik

Meine DC und AC Planung

  • Kreiseltaucher
  • 26. November 2024 um 12:37
  • Kreiseltaucher
    womobox-Halbgott
    Beiträge
    816
    Karteneintrag
    nein
    Wohnkabine
    Ormocar
    • 26. November 2024 um 12:37
    • #1

    Hallo Zusammen

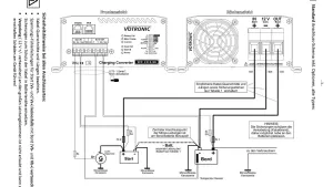
    Ich hab jetzt mal meine DC und AC Planung gemacht, was haltet ihr davon ? Falls Fehler drin sind bitte mitteilen. Für Verbesserungsvorschlage immer offen

    Der Inhalt kann nicht angezeigt werden, da du keine Berechtigung hast, diesen Inhalt zu sehen.

    Der Inhalt kann nicht angezeigt werden, da du keine Berechtigung hast, diesen Inhalt zu sehen.

    Grüsse aus dem Unterallgäu

    Peter

  • Anton
    womobox-Guru
    Beiträge
    2.789
    Karteneintrag
    nein
    Wohnort
    Am Fuß der Homert
    • 26. November 2024 um 13:48
    • #2

    Hallo

    ob bei den Planungen was falsch ist kann ich nicht sagen, was aber nicht so schön ist, ist der Umstand wenn man die verlinkten Graphiken verlassen will der Browser zu geht.

    Kann man das ändern oder ist das nur bei mir so?

    Viele Grüße

    Anton

    Wir brauchen dringend ein paar Verrückte - seht euch doch mal um, wo uns die Vernüftigen hingebracht haben!

  • holger4x4
    womobox-Guru
    Beiträge
    7.537
    Karteneintrag
    ja
    Wohnort
    Bergisches Land
    • 26. November 2024 um 13:50
    • #3

    Ein Paar hinweise zum DC-Plan:

    - KFZ Masse gehört auch hinter den Shunt

    - Die Starterbatterie braucht auch eine Sicherung (im Motorraum) zum Booster, vermutlich 80A

    - Den Haupt Ein/aus lass besser weg. Ohne Batterie zieht dir die Solaranlage die Spannung im Aufbau unkontrolliert hoch. Wenn Hauptschalter, dann muss Solar mit der Batterie verbunden bleiben, macht ja auch Sinn wegen Pufferung der Batterie.

    - Wenn du den ersten Megafusehalter direkt an die Batterie baust (macht ja schon Sinn wegen dem WR), dann kannst du die 300A Sicherung weglassen.

    Gruß, Holger

  • holger4x4
    womobox-Guru
    Beiträge
    7.537
    Karteneintrag
    ja
    Wohnort
    Bergisches Land
    • 26. November 2024 um 13:51
    • #4
    Zitat von Anton

    Hallo

    ob bei den Planungen was falsch ist kann ich nicht sagen, was aber nicht so schön ist, ist der Umstand wenn man die verlinkten Graphiken verlassen will der Browser zu geht.

    Kann man das ändern oder ist das nur bei mir so?

    Viele Grüße

    Anton

    Nö, das ist bei mir nicht so. PDF wird runter geladen und der Acrobat Reader geht dafür auf. Den musst du als Standard-Viewer für PDF im Windoof einstellen, und nicht den Browser.

    Gruß, Holger

  • Anton
    womobox-Guru
    Beiträge
    2.789
    Karteneintrag
    nein
    Wohnort
    Am Fuß der Homert
    • 26. November 2024 um 13:55
    • #5

    Hallo,

    OK, werde mein Bestes tun! ?(

    Da ich aber der Computernerd vor dem Herrn bin wird da wohl so aussehen!:S

    Viele Grüße

    Anton

    Wir brauchen dringend ein paar Verrückte - seht euch doch mal um, wo uns die Vernüftigen hingebracht haben!

  • holger4x4
    womobox-Guru
    Beiträge
    7.537
    Karteneintrag
    ja
    Wohnort
    Bergisches Land
    • 26. November 2024 um 14:02
    • #6

    Anton: Geh mal unter Einstellungen - Standard Apps - unten Standardapps nach Dateityp auswählen, dann bis .pdf runterscrollen und dort die richtige App auswählen. So ist das bei WIN10

    Gruß, Holger

  • urologe
    womobox-Guru
    Beiträge
    2.473
    Karteneintrag
    ja
    Wohnort
    Südost-Bayern
    • 26. November 2024 um 14:37
    • #7

    Im AC-System würde mich der Wahlschalter stören .

    Bei mir ist der Victron Wechselrichter in der Lage , bei zu schwacher Landstromquelle Batterie-Power dazu zu mischen .

    Diese Möglichkeit nimmst Du Dir .

    der Urologe

    Vorsorge tut gut - KAT fahren

  • Kreiseltaucher
    womobox-Halbgott
    Beiträge
    816
    Karteneintrag
    nein
    Wohnkabine
    Ormocar
    • 26. November 2024 um 14:39
    • #8
    Zitat von holger4x4

    Ein Paar hinweise zum DC-Plan:

    - KFZ Masse gehört auch hinter den Shunt

    - Die Starterbatterie braucht auch eine Sicherung (im Motorraum) zum Booster, vermutlich 80A

    - Den Haupt Ein/aus lass besser weg. Ohne Batterie zieht dir die Solaranlage die Spannung im Aufbau unkontrolliert hoch. Wenn Hauptschalter, dann muss Solar mit der Batterie verbunden bleiben, macht ja auch Sinn wegen Pufferung der Batterie.

    - Wenn du den ersten Megafusehalter direkt an die Batterie baust (macht ja schon Sinn wegen dem WR), dann kannst du die 300A Sicherung weglassen.

    Masse hinter Booster stimmt ... werde ich ändern

    Laut Votronic 1212-50 Bedienungsanleitung ist bei 6qmm Kabel und <1,5m Kabellänge keine Sicherung erforderlich. Um das Kabel abzusichern könnte man sicher eine rein machen

    Ok... Solar kommt vor dem Hauptschalter. Würdest Du zwischen PV Module und MPPT DC Sicherungen einbauen ?

    300A Sicherung werde ich überdenken

    Grüsse aus dem Unterallgäu

    Peter

  • Kreiseltaucher
    womobox-Halbgott
    Beiträge
    816
    Karteneintrag
    nein
    Wohnkabine
    Ormocar
    • 26. November 2024 um 14:42
    • #9
    Zitat von urologe

    Im AC-System würde mich der Wahlschalter stören .

    Bei mir ist der Victron Wechselrichter in der Lage , bei zu schwacher Landstromquelle Batterie-Power dazu zu mischen .

    Diese Möglichkeit nimmst Du Dir .

    Ich möchte aber keinen Victron Multiplus, der ist mir einfach zu laut. Und dann macht der Wahlschalter aus meiner Sicht wieder Sinn

    Grüsse aus dem Unterallgäu

    Peter

  • holger4x4
    womobox-Guru
    Beiträge
    7.537
    Karteneintrag
    ja
    Wohnort
    Bergisches Land
    • 26. November 2024 um 15:21
    • #10

    Nee, da muss eine Sicherung an der Starterbatterie sein. Wenn du einen Kurzschluss am/im Booster hast, dann qualmt dir die Zuleitung ab.

    An den PV Modulen brauchst du keine Sicherung, die haben ja einen Kurzschlusstrom von z.B. 10A limitiert, oder weniger, da passiert dem 4qmm Kabel nichts.

    Gruß, Holger

  • Kreiseltaucher
    womobox-Halbgott
    Beiträge
    816
    Karteneintrag
    nein
    Wohnkabine
    Ormocar
    • 26. November 2024 um 16:48
    • #11
    Zitat von holger4x4

    Nee, da muss eine Sicherung an der Starterbatterie sein. Wenn du einen Kurzschluss am/im Booster hast, dann qualmt dir die Zuleitung ab.

    An den PV Modulen brauchst du keine Sicherung, die haben ja einen Kurzschlusstrom von z.B. 10A limitiert, oder weniger, da passiert dem 4qmm Kabel nichts.

    Ok, dann mach ich eine Sicherung entsprechnd dem gewählten Kabelquerschnitt rein. Werde wahrscheinlich ein 10er Querschnitt nehmen. 40A dürften ok sein oder

    Grüsse aus dem Unterallgäu

    Peter

  • holger4x4
    womobox-Guru
    Beiträge
    7.537
    Karteneintrag
    ja
    Wohnort
    Bergisches Land
    • 26. November 2024 um 17:07
    • #12

    Du hast doch den 121250 Booster, oder? Der macht 50A am Ausgang, deshalb 60A abgesichert. Auf der Eingansseite zieht der mehr, laut der Tabelle soll der mit 80A abgesichert werden, das macht auch Sinn. Besser wäre da eh 16 oder 25qmm zu verwenden. Die 10qmm** sind eigentlich nur für einen Sonderfall und die 6qmm gehen garnicht, deshalb - - -

    Gruß, Holger

  • Kreiseltaucher
    womobox-Halbgott
    Beiträge
    816
    Karteneintrag
    nein
    Wohnkabine
    Ormocar
    • 26. November 2024 um 17:21
    • #13

    Ok ... dann hab ich die Tabelle falsch interpretiert. Habt den Plan geändert, aber die 300A sicherung an der Batt noch drin gelassen

    Der Inhalt kann nicht angezeigt werden, da du keine Berechtigung hast, diesen Inhalt zu sehen.

    Grüsse aus dem Unterallgäu

    Peter

  • clubby
    womobox-Spezialist
    Beiträge
    259
    Karteneintrag
    nein
    • 27. November 2024 um 11:01
    • #14

    Hallo!

    Ich frage einfach mal um das zu verstehen.

    Holger:

    * Warum gehört die Kfz-Masse hinter den Shunt?

    * "ohne Aufbaubatterie.. Spannung hoch". Fehlt dem MPPT die Zielspannung?

    Kreiseltaucher:

    * wird der Shunt nicht ausgewertet?

    Viele Grüße,

    clubby

  • holger4x4
    womobox-Guru
    Beiträge
    7.537
    Karteneintrag
    ja
    Wohnort
    Bergisches Land
    • 27. November 2024 um 11:13
    • #15
    Zitat von clubby

    Holger:

    * Warum gehört die Kfz-Masse hinter den Shunt?

    Der Shunt muss ja alle Lade und Entladeströme erfassen, sonst stimmt die Anzeige nicht. Vom Minuspol der Batterie darf also nur eine Leitung abgehen und die führt zum Shunt.

    Zitat von clubby

    * "ohne Aufbaubatterie.. Spannung hoch". Fehlt dem MPPT die Zielspannung?

    Ja genau, der Regler macht irgendwas, versucht vielleicht mit höherer Spannung einen Ladestrom zu generieren, im besten Fall macht er garnichts. Das hängt vom verwendeten Regler ab. Im schlimmsten Fall werden Spannungen über 24V generiert, die deine Geräte zerstören können.

    Oft steht das auch in den Bedienungsanleitungen, dass unbedingt erst die Batterie und dann erst das Solarmodul angeschlossen werden kann. Umgekehrt kann das sogar den Solarregler zerstören.

    Gruß, Holger

  • clubby
    womobox-Spezialist
    Beiträge
    259
    Karteneintrag
    nein
    • 27. November 2024 um 11:22
    • #16

    Hallo Holger!

    Danke! Beide Antworten habe ich verstanden.

    Was ich noch nicht verstanden habe ist, warum der Shunt auch auf Masse soll. Welche Nachteile hätte ich wenn ich das nicht mache (Aufbaubatterie als Insel)?

    Viele Grüße,

    clubby

  • holger4x4
    womobox-Guru
    Beiträge
    7.537
    Karteneintrag
    ja
    Wohnort
    Bergisches Land
    • 27. November 2024 um 12:29
    • #17

    Aufbau als Insel kann man auch machen. Du hast aber auch einen Ladebooster, da gibt es welche mit galvanischer Trennung, aber auch welche ohne. Dann brauchst du die Masseverbindung sowieso.

    Dann willst du vielleicht mit einem der Solarregler eine Erhaltungsladung für die Starterbatterie machen? Dann brauchst du auch die Masseverbindung. Oder irgendwelche anderen Interaktionen mit der Fahrzeugelektrik. Kann man alles irgendwie auch galvanisch getrennt regeln, aber mit direkter Masseverbindung gibts weniger Probleme.

    Gruß, Holger

  • Kreiseltaucher
    womobox-Halbgott
    Beiträge
    816
    Karteneintrag
    nein
    Wohnkabine
    Ormocar
    • 27. November 2024 um 13:10
    • #18

    Shunt Auswertung nur über ein Display welches mir die Spannung, Rest Kapazität und aktuell fließender Strom als Ladung/Entladung anzeigt. Mehr brauche ich nicht. Weitere Infos über den Batterie Zustand kann ich über Bluetooth des JK BMS abfragen.

    Mein 1212-50 Booster ist nicht galvanisch getrennt. Im Anschlussplan des Booster ist neben der Masse beider Batterien an die Karosserie sogar noch eine direkte Masse Erblindung möglich.

    Grüsse aus dem Unterallgäu

    Peter

  • clubby
    womobox-Spezialist
    Beiträge
    259
    Karteneintrag
    nein
    • 27. November 2024 um 13:33
    • #19

    Hallo Holger und hallo Kreiseltaucher!

    Vielen Dank für eure ausführlichen Informationen!

    Gruß,

    clubby

  • Kreiseltaucher
    womobox-Halbgott
    Beiträge
    816
    Karteneintrag
    nein
    Wohnkabine
    Ormocar
    • 2. Dezember 2024 um 10:01
    • #20

    Habt ihr irgend eine Form von Überspannungsschutz für AC-System und PV-Anlagen verbaut. Ein Freund von mir hat einen Pössl Camper. Dort ist ein EBL verbaut und der hat einen Über- und Unterspannungsschutz integriert. Schaltet bei Über-/ Unterspannung ab und bei Regelspannung wieder ein.

    Einen EBL möchte ich nicht, aber so einen Über-/Unterspannungsschutz würde mich schon interessieren.

    Grüsse aus dem Unterallgäu

    Peter

Jetzt mitmachen!

Mit einem Benutzerkonto kannst du das womobox Forum noch besser nutzen.
Als registriertes Mitglied kannst du:
- Themen abonnieren und auf dem Laufenden bleiben
- Dich mit anderen Mitgliedern direkt austauschen
- Eigene Beiträge und Themen erstellen

Benutzerkonto erstellen Anmelden

Spenden-Ziel

Jährlich (2026)

63,5 %

63,5% (317,50 von 500 EUR)

Jetzt spenden

Ähnliche Themen

  • Grundriss-Idee: eure Meinungen?

    • Rookie
    • 4. April 2024 um 17:12
    • Grundrisse
  • Die Offroad Routenplanung und Tracknavigation

    • Surfy
    • 12. November 2024 um 09:00
    • TV, SAT und Audio
  • Projekt: Mein zukünftiges „Rentnerfluchtmobil“...das Bautagebuch

    • Jollentreiber
    • 22. Dezember 2023 um 23:13
    • Vorstellung: Sieh mal einer an!
  • Heizkonzept in meiner Wohnkabine

    • JX5000
    • 9. Dezember 2023 um 17:20
    • Heizen und Kühlen
  1. Nutzungsbedingungen
  2. Datenschutzerklärung
  3. Impressum
Gefällt es dir hier? Dann bitte jetzt :)
Community-Software: WoltLab Suite™