
Das wichtigste als erstes bisher ist der LKW auf 7,5t abgelastet.
Das wird im neuen Konzept nicht mehr vorgesehen. Sprich er wird wenn das Gewicht überschritten ist wieder auf 11t aufgelastet.
Dann kommt noch ein Führerschein dazu ![]()
Somit spielt Gewicht nicht mehr wirklich eine Rolle.
Das erste ist also die Wandverkleidung darf jetzt was wiegen und wird mit 18mm Dreichschichtplatten ausgeführt.
Vorteil: Da kann man einfach was anschrauben.
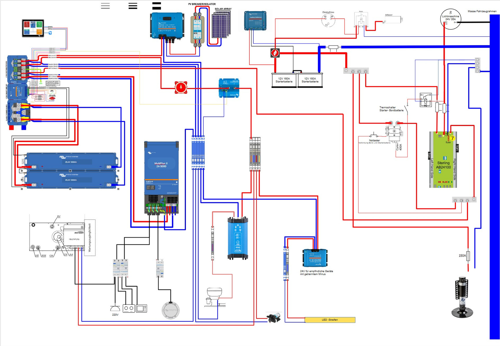
Das Wohnkonzept hat sich ein wenig geändert. Die Elektrik wandert in den Zwischboden.
Bis letztes Jahr hatte ich auch noch geplant die Webasto DualTop durch eine Alde zu ersetzten und entsprechend Gastank einzubauen.
Dies ist jetzt aber Verworfen und es wird eine Scheer Dieselheizung eingebaut.
Damit wird das WoMo Gasfrei. Die schon vorhanden Gasgeräte werde ich bis Bodenheim exclusiv hier im Forum anbieten.
Durch den Verzicht auf Gas muss die Elektrik enstsprechend angepasst werden.
Der aktuelle Plan sieht so aus:
Die Heizungsplanung läuft noch. Aber dazu später mehr.